-
- Tổng tiền thanh toán:
THÔNG TIN SẢN PHẨM:
1. Tên sản phẩm: Vòng bi mâm xoay bánh răng trục vít kép WEA
2. Model: WEA21-90-2R-BH, WEA25-108-BH-2R
3. Cam kết: Hàng tận xưởng, bảo hành dài lâu, hỗ trợ miễn phí, giao nhanh toàn quốc.
4. Khả năng cung cấp hiện thời: 1000 sản phẩm.
Nhập khẩu trực tiếp
Giao nhanh toàn quốc
Theo đúng chính sách
Vòng bi mâm xoay bánh răng trục vít kép Tubor kiểu WEA là linh kiện được thiết kế chuyên biệt cho các ứng dụng tải trọng lớn và yêu cầu độ ổn định cao. Với tỉ số truyền 90:1 đến 108:1, sản phẩm cho vận tốc đầu ra dưới 2.5 vòng/phút, đảm bảo chuyển động chậm, mạnh và chính xác. Khả năng chịu tải vượt trội với tải hướng trục lên tới 2,360kN, tải hướng tâm tối đa 945kN và mô-men lực lật đạt 310kN·m, giúp vòng bi hoạt động bền bỉ trong các hệ thống nâng hạ, máy công trình, năng lượng gió và thiết bị công nghiệp nặng. Kéo xuống để tham khảo chi tiết linh kiện!

Ảnh vòng bi mâm xoay bánh răng trục vít kép WEA
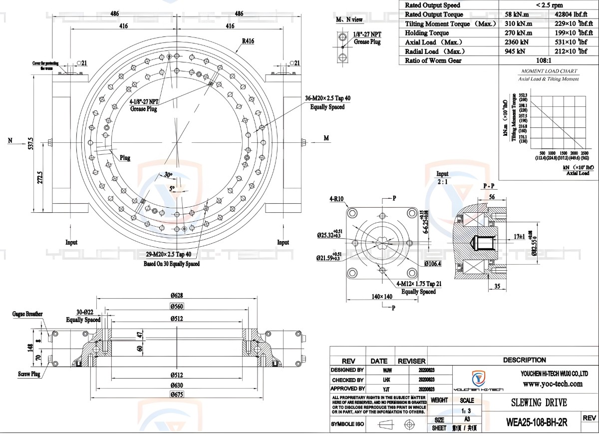
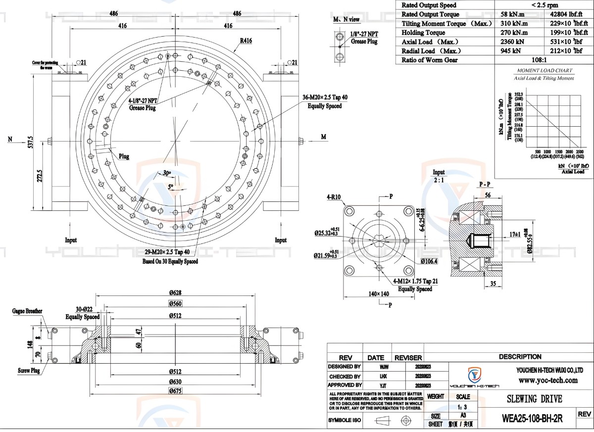
Bạc đạn mâm xoay WEA thiết kế cho tải trọng lớn và khả năng truyền động chính xác nhờ cơ cấu bánh răng kết hợp trục vít kép. Trước khi lắp đặt hoặc chọn thay thế, người dùng nên tham khảo kỹ các thông số trong bảng thông số dưới đây để đảm bảo tương thích và an toàn vận hành.


Ảnh thông số kỹ thuật bạc đạn mâm xoay bánh răng trục vít kép Tubor kiểu WEA
Vòng bi mâm xoay bánh răng trục vít kép Tubor kiểu WEA nổi bật với khả năng chịu tải trọng lớn, vận hành ổn định và độ chính xác cao trong các ứng dụng công nghiệp nặng. Sản phẩm là lựa chọn lý tưởng cho các thiết bị yêu cầu độ bền và hiệu suất lâu dài. Để được tư vấn chi tiết, hãy liên hệ Kỷ Nguyên Máy qua hotline: 077.209.8686.
Với mục đích đem đến cho khách hàng trải nghiệm mua sắm tốt nhất, chúng tôi đưa ra các phương thức thanh toán sau để quý khách dễ dàng lựa chọn tùy theo nhu cầu của mình. Các phương thức thanh toán bao gồm:
1. Thanh toán trực tiếp bằng tiền mặt
Phương thức thanh toán này được áp dụng trong 2 trường hợp sau:
| 1. Mua hàng trực tiếp tại cửa hàng | Thanh toán trực tiếp với nhân viên tại văn phòng hoặc tại kho của công ty. |
| 2. Giao hàng và thu tiền tại địa điểm giao nhận (COD) | Thanh toán cho bên vận chuyển toàn bộ giá trị đơn hàng hoặc phần còn lại (nếu đã đặt cọc). |
2. Chuyển khoản qua Ngân hàng
Phương thức này được áp dụng trong trường hợp khách hàng ở xa hoặc có nhu cầu sử dụng phương thức này. Quý khách có thể chuyển tiền vào tài khoản Ngân hàng của chúng tôi qua thông tin sau:
|
Thông tin chuyển khoản
|
![]() |
Lưu ý:
Thông tin liên hệ
Mọi thông tin liên hệ, đóng góp ý kiến liên quan xin vui lòng liên hệ theo địa chỉ sau:
Công Ty Cổ Phần Dịch Vụ Thương Mại Tổng Hợp Đức Thiện
1. Đối tượng áp dụng
Tất cả khách hàng mua các sản phẩm sàn tại Kỷ Nguyên Máy
2. Phạm vi giao hàng
Công ty chúng tôi cam kết giao hàng toàn quốc, bao phủ tất cả 63 tỉnh thành trên lãnh thổ Việt Nam một cách nhanh chóng và đáng tin cậy.
Hệ thống đối tác vận chuyển uy tín đảm bảo hàng công nghiệp (máy tiện, ray trượt) nguyên vẹn, kèm kiểm tra hàng trước khi nhận và bảo hiểm 100% giá trị đơn hàng.
3. Chi phí vận chuyển
Chúng tôi nhận hỗ trợ tìm công ty vận chuyển tất cả sản phẩm linh kiện tự động hóa và cơ khí chính xác khi khách hàng mua tại Kỷ Nguyên Máy với phương thức tính phí phụ thuộc vào cước phí hiện hành hoặc theo thỏa thuận giữa hai bên và phụ thuộc vào các yếu tố sau:
*Lưu ý: Kỷ Nguyên Máy không bao gồm dịch vụ vận chuyển. Vui lòng liên hệ trực tiếp với nhân viên tư vấn để được hỗ trợ về phương thức và chi phí giao nhận.
4. Đóng gói, bảo quản trước khi giao hàng
Hàng hóa sẽ được đóng gói tùy thuộc vào các trường hợp sau:
5. Trách nhiệm của các bên khi giao nhận
* Trách nhiệm của Kỷ Nguyên Máy
Trong trường hợp giao nhận qua bên thứ ba (công ty vận chuyển do khách hàng hoặc Kỷ Nguyên Máy hỗ trợ liên hệ), trách nhiệm về chứng từ, hóa đơn cũng như kiểm tra tình trạng hàng hóa thuộc về khách hàng ngay khi nhận hàng từ đơn vị vận chuyển. Mọi rủi ro về hư hỏng, bể vỡ hoặc mất mát phát sinh trong quá trình vận chuyển qua bên thứ ba sẽ không thuộc trách nhiệm bồi hoàn của Kỷ Nguyên Máy.
* Trách nhiệm của khách hàng
Thông tin liên hệ
Mọi thông tin liên hệ, đóng góp ý kiến liên quan xin vui lòng liên hệ theo địa chỉ sau:
Công Ty Cổ Phần Dịch Vụ Thương Mại Tổng Hợp Đức Thiện