-
- Tổng tiền thanh toán:
THÔNG TIN SẢN PHẨM:
1. Mã sản phẩm: Con trượt THK SSR-XW
2. Model: SSR15XW, SSR30XW, SSR35XW
3. Cam kết: Hàng tận xưởng, bảo hành dài lâu, hỗ trợ miễn phí, giao nhanh toàn quốc
4. Khả năng cung cấp hiện thời: 1000 sản phẩm
Nhập khẩu trực tiếp
Giao nhanh toàn quốc
Theo đúng chính sách
Con trượt THK SSR15XW, SSR30XW, SSR35XW là dòng con trượt vuông không cánh, được thiết kế với 4 lỗ bắt vít từ trên xuống, mang lại khả năng lắp đặt linh hoạt và chắc chắn trên nhiều bề mặt khác nhau. Với kết cấu cứng vững và khả năng chịu tải ổn định, SSR-XW phù hợp cho các hệ thống cơ khí, thiết bị tự động hóa và máy móc công nghiệp yêu cầu hiệu suất vận hành cao. Cùng Kỷ Nguyên Máy khám phá thông tin chi tiết ở dưới!

Ảnh con trượt THK SSR-XW
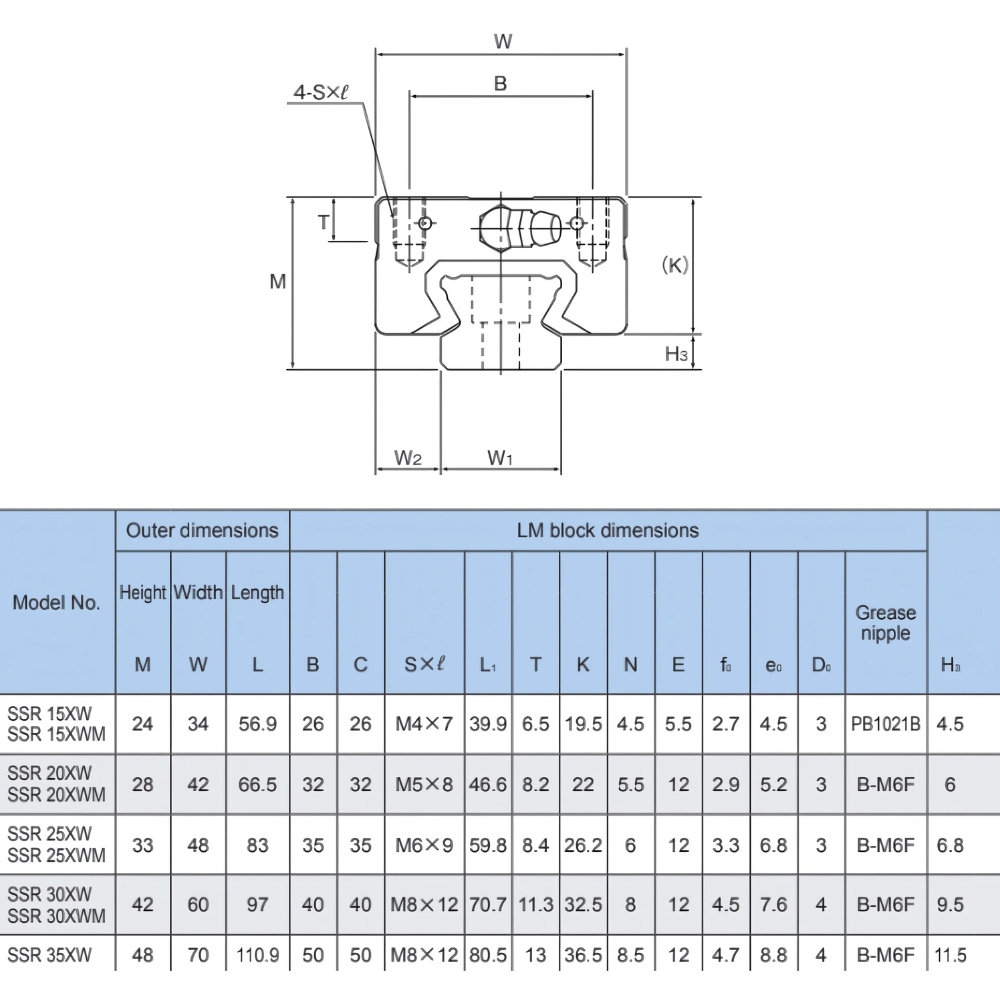
Thông số kỹ thuật là căn cứ quan trọng để đảm bảo rằng thiết bị vận hành đúng tiêu chuẩn và đạt được tuổi thọ mong muốn. Bảng thông tin bên dưới tổng hợp đầy đủ dữ liệu liên quan đến bạc trượt THK SSR-XW, giúp người dùng kỹ thuật đưa ra quyết định chính xác khi lựa chọn mã sản phẩm phù hợp với không gian và tải trọng yêu cầu.


Ảnh thông số kỹ thuật bạc trượt THK SSR-XW
Ký hiệu THK SSR15XW2UU thể hiện đầy đủ các thông tin về loại, kích thước và đặc tính kỹ thuật của con trượt tuyến tính thuộc dòng SSR của hãng THK. Cụ thể:
Với thiết kế chắc chắn và khả năng chịu tải tốt, THK SSR15XW, SSR30XW, SSR35XW là giải pháp tối ưu cho những hệ thống đòi hỏi chuyển động tuyến tính mượt mà và bền bỉ. Mọi thông tin chi tiết về sản phẩm, xin vui lòng liên hệ Kỷ Nguyên Máy qua số điện thoại 077.209.8686.
Với mục đích đem đến cho khách hàng trải nghiệm mua sắm tốt nhất, chúng tôi đưa ra các phương thức thanh toán sau để quý khách dễ dàng lựa chọn tùy theo nhu cầu của mình. Các phương thức thanh toán bao gồm:
1. Thanh toán trực tiếp bằng tiền mặt
Phương thức thanh toán này được áp dụng trong 2 trường hợp sau:
| 1. Mua hàng trực tiếp tại cửa hàng | Thanh toán trực tiếp với nhân viên tại văn phòng hoặc tại kho của công ty. |
| 2. Giao hàng và thu tiền tại địa điểm giao nhận (COD) | Thanh toán cho bên vận chuyển toàn bộ giá trị đơn hàng hoặc phần còn lại (nếu đã đặt cọc). |
2. Chuyển khoản qua Ngân hàng
Phương thức này được áp dụng trong trường hợp khách hàng ở xa hoặc có nhu cầu sử dụng phương thức này. Quý khách có thể chuyển tiền vào tài khoản Ngân hàng của chúng tôi qua thông tin sau:
|
Thông tin chuyển khoản
|
![]() |
Lưu ý:
Thông tin liên hệ
Mọi thông tin liên hệ, đóng góp ý kiến liên quan xin vui lòng liên hệ theo địa chỉ sau:
Công Ty Cổ Phần Dịch Vụ Thương Mại Tổng Hợp Đức Thiện
1. Đối tượng áp dụng
Tất cả khách hàng mua các sản phẩm sàn tại Kỷ Nguyên Máy
2. Chi phí vận chuyển
Chúng tôi nhận hỗ trợ tìm công ty vận chuyển tất cả sản phẩm linh kiện tự động hóa và cơ khí chính xác khi khách hàng mua tại Kỷ Nguyên Máy với phương thức tính phí phụ thuộc vào cước phí hiện hành hoặc theo thỏa thuận giữa hai bên và phụ thuộc vào các yếu tố sau:
*Lưu ý: Kỷ Nguyên Máy không bao gồm dịch vụ vận chuyển. Vui lòng liên hệ trực tiếp với nhân viên tư vấn để được hỗ trợ về phương thức và chi phí giao nhận.
3. Đóng gói, bảo quản trước khi giao hàng
Hàng hóa sẽ được đóng gói tùy thuộc vào các trường hợp sau:
4. Trách nhiệm của các bên khi giao nhận
* Trách nhiệm của Kỷ Nguyên Máy
Trong trường hợp giao nhận qua bên thứ ba (công ty vận chuyển do khách hàng hoặc Kỷ Nguyên Máy hỗ trợ liên hệ), trách nhiệm về chứng từ, hóa đơn cũng như kiểm tra tình trạng hàng hóa thuộc về khách hàng ngay khi nhận hàng từ đơn vị vận chuyển. Mọi rủi ro về hư hỏng, bể vỡ hoặc mất mát phát sinh trong quá trình vận chuyển qua bên thứ ba sẽ không thuộc trách nhiệm bồi hoàn của Kỷ Nguyên Máy.
* Trách nhiệm của khách hàng
Thông tin liên hệ
Mọi thông tin liên hệ, đóng góp ý kiến liên quan xin vui lòng liên hệ theo địa chỉ sau:
Công Ty Cổ Phần Dịch Vụ Thương Mại Tổng Hợp Đức Thiện