-
- Tổng tiền thanh toán:
THÔNG TIN SẢN PHẨM:
1. Tên sản phẩm: Hộp giảm tốc PLF080-5-S2-P2
2. Thông số:
3. Khả năng cung cấp hiện thời: 100 sản phẩm.
Nhập khẩu trực tiếp
Giao nhanh toàn quốc
Theo đúng chính sách
Hộp giảm tốc PLF080-5-S2-P2 là thiết bị cơ khí truyền động được thiết kế với cấu trúc đơn giản, giúp giảm tốc độ quay đồng thời tăng mô-men xoắn hiệu quả. Sản phẩm nổi bật với việc bảo trì và bảo dưỡng dễ dàng nhờ sử dụng bánh răng thẳng, loại bỏ sự phức tạp của bánh răng xoắn. Với tỷ số truyền 5:1 và khung kích thước 80mm, PLF080-5-S2-P2 thích hợp cho các hệ thống tự động hóa, máy móc công nghiệp và thiết bị sản xuất hiện đại, mang lại vận hành ổn định, độ bền cao và hiệu suất truyền động tối ưu. Lướt xuống dưới để tìm hiểu chi tiết hơn về hộp số.

Ảnh hộp giảm tốc PLF080-5-S2-P2
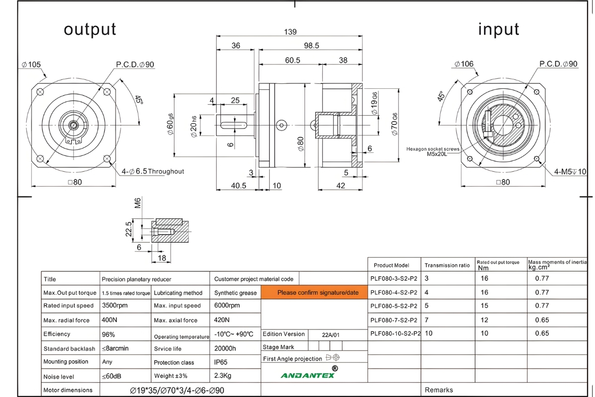
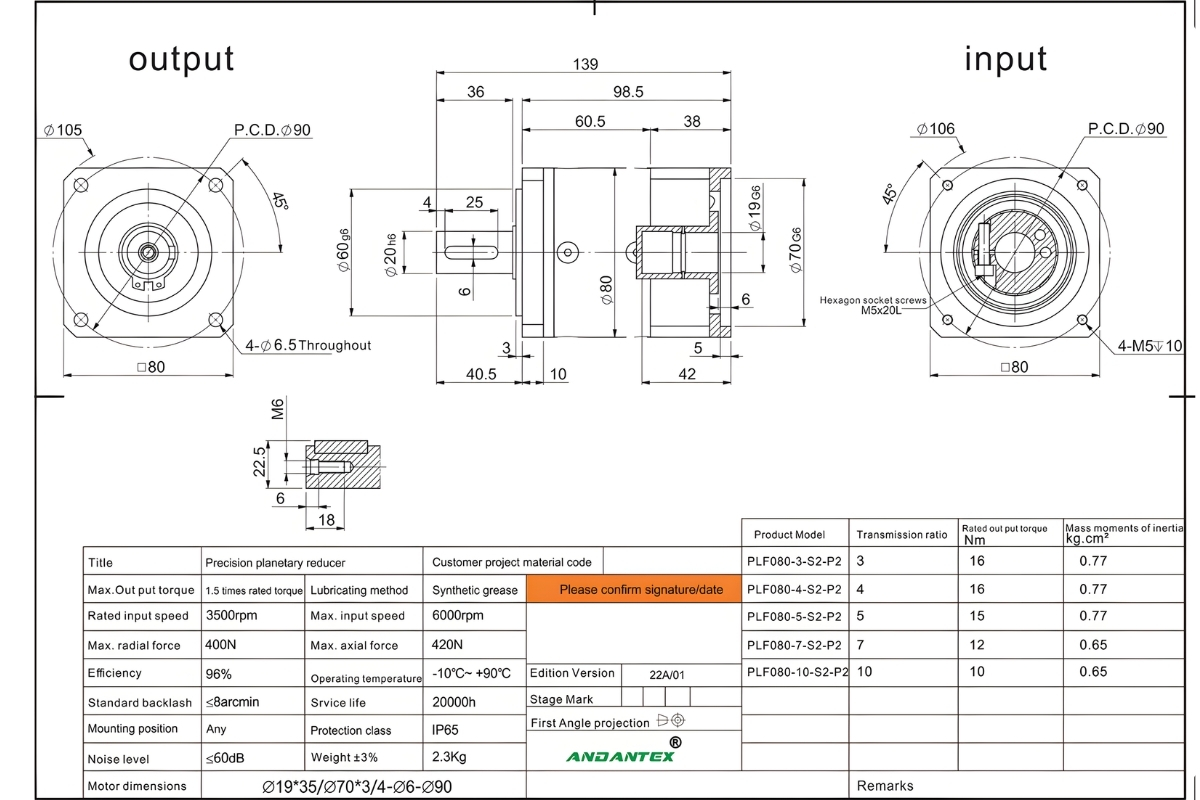
Để giúp quý khách hiểu rõ hơn về đặc tính và khả năng hoạt động của sản phẩm, dưới đây là thông số kỹ thuật chi tiết của bộ giảm tốc hành tinh PLF080-5-S2-P2. Bảng thông số cung cấp đầy đủ các thông tin về tỷ số truyền, mô-men xoắn, độ chính xác và kích thước lắp đặt, giúp quý khách hiểu rõ hơn về hộp giảm tốc.

Ảnh thông số kỹ thuật bộ giảm tốc hành tinh PLF080-5-S2-P2
Với khả năng truyền động ổn định, tuổi thọ cao và bảo trì dễ dàng, Hộp giảm tốc PLF080-5-S2-P2 là lựa chọn quan trọng giúp nâng cao hiệu suất cho mọi hệ thống máy móc công nghiệp. Để được tư vấn chi tiết và báo giá chi tiết quý khách vui lòng liên hệ ngay Kỷ Nguyên Máy qua hotline 077.209.8686 để lựa chọn bộ giảm tốc phù hợp nhất cho nhu cầu của mình.
Với mục đích đem đến cho khách hàng trải nghiệm mua sắm tốt nhất, chúng tôi đưa ra các phương thức thanh toán sau để quý khách dễ dàng lựa chọn tùy theo nhu cầu của mình. Các phương thức thanh toán bao gồm:
1. Thanh toán trực tiếp bằng tiền mặt
Phương thức thanh toán này được áp dụng trong 2 trường hợp sau:
| 1. Mua hàng trực tiếp tại cửa hàng | Thanh toán trực tiếp với nhân viên tại văn phòng hoặc tại kho của công ty. |
| 2. Giao hàng và thu tiền tại địa điểm giao nhận (COD) | Thanh toán cho bên vận chuyển toàn bộ giá trị đơn hàng hoặc phần còn lại (nếu đã đặt cọc). |
2. Chuyển khoản qua Ngân hàng
Phương thức này được áp dụng trong trường hợp khách hàng ở xa hoặc có nhu cầu sử dụng phương thức này. Quý khách có thể chuyển tiền vào tài khoản Ngân hàng của chúng tôi qua thông tin sau:
|
Thông tin chuyển khoản
|
![]() |
Lưu ý:
Thông tin liên hệ
Mọi thông tin liên hệ, đóng góp ý kiến liên quan xin vui lòng liên hệ theo địa chỉ sau:
Công Ty Cổ Phần Dịch Vụ Thương Mại Tổng Hợp Đức Thiện
1. Đối tượng áp dụng
Tất cả khách hàng mua các sản phẩm sàn tại Kỷ Nguyên Máy
2. Phạm vi giao hàng
Công ty chúng tôi cam kết giao hàng toàn quốc, bao phủ tất cả 63 tỉnh thành trên lãnh thổ Việt Nam một cách nhanh chóng và đáng tin cậy.
Hệ thống đối tác vận chuyển uy tín đảm bảo hàng công nghiệp (máy tiện, ray trượt) nguyên vẹn, kèm kiểm tra hàng trước khi nhận và bảo hiểm 100% giá trị đơn hàng.
3. Chi phí vận chuyển
Chúng tôi nhận hỗ trợ tìm công ty vận chuyển tất cả sản phẩm linh kiện tự động hóa và cơ khí chính xác khi khách hàng mua tại Kỷ Nguyên Máy với phương thức tính phí phụ thuộc vào cước phí hiện hành hoặc theo thỏa thuận giữa hai bên và phụ thuộc vào các yếu tố sau:
*Lưu ý: Kỷ Nguyên Máy không bao gồm dịch vụ vận chuyển. Vui lòng liên hệ trực tiếp với nhân viên tư vấn để được hỗ trợ về phương thức và chi phí giao nhận.
4. Đóng gói, bảo quản trước khi giao hàng
Hàng hóa sẽ được đóng gói tùy thuộc vào các trường hợp sau:
5. Trách nhiệm của các bên khi giao nhận
* Trách nhiệm của Kỷ Nguyên Máy
Trong trường hợp giao nhận qua bên thứ ba (công ty vận chuyển do khách hàng hoặc Kỷ Nguyên Máy hỗ trợ liên hệ), trách nhiệm về chứng từ, hóa đơn cũng như kiểm tra tình trạng hàng hóa thuộc về khách hàng ngay khi nhận hàng từ đơn vị vận chuyển. Mọi rủi ro về hư hỏng, bể vỡ hoặc mất mát phát sinh trong quá trình vận chuyển qua bên thứ ba sẽ không thuộc trách nhiệm bồi hoàn của Kỷ Nguyên Máy.
* Trách nhiệm của khách hàng
Thông tin liên hệ
Mọi thông tin liên hệ, đóng góp ý kiến liên quan xin vui lòng liên hệ theo địa chỉ sau:
Công Ty Cổ Phần Dịch Vụ Thương Mại Tổng Hợp Đức Thiện