-
- Tổng tiền thanh toán:
THÔNG TIN SẢN PHẨM:
1. Tên sản phẩm: Hộp giảm tốc PLF090-L1-10-S2-P2
2. Thông số:
3. Khả năng cung cấp hiện thời: 1000 sản phẩm
Nhập khẩu trực tiếp
Giao nhanh toàn quốc
Theo đúng chính sách
Hộp giảm tốc PLF090-L1-10-S2-P2 là thiết bị truyền động chính xác cao, được thiết kế tối ưu cho các hệ thống tự động hóa và máy CNC hiện đại với tỷ số truyền 1:10. Với tốc độ đầu vào định mức 3000 vòng/phút, tối đa đạt 6000 vòng/phút, cùng tuổi thọ trung bình 20.000 giờ nhờ mỡ tổng hợp bôi trơn lâu dài, đảm bảo hoạt động ổn định, êm ái và bền bỉ. Ngoài ra, cấp bảo vệ IP65 và khả năng làm việc trong dải nhiệt -25°C đến +90°C giúp hộp số vận hành hiệu quả ngay cả trong môi trường công nghiệp khắc nghiệt. Kéo xuống dưới để tìm hiểu thông số kỹ thuật của sản phẩm.

Ảnh hộp giảm tốc PLF090-L1-10-S2-P2
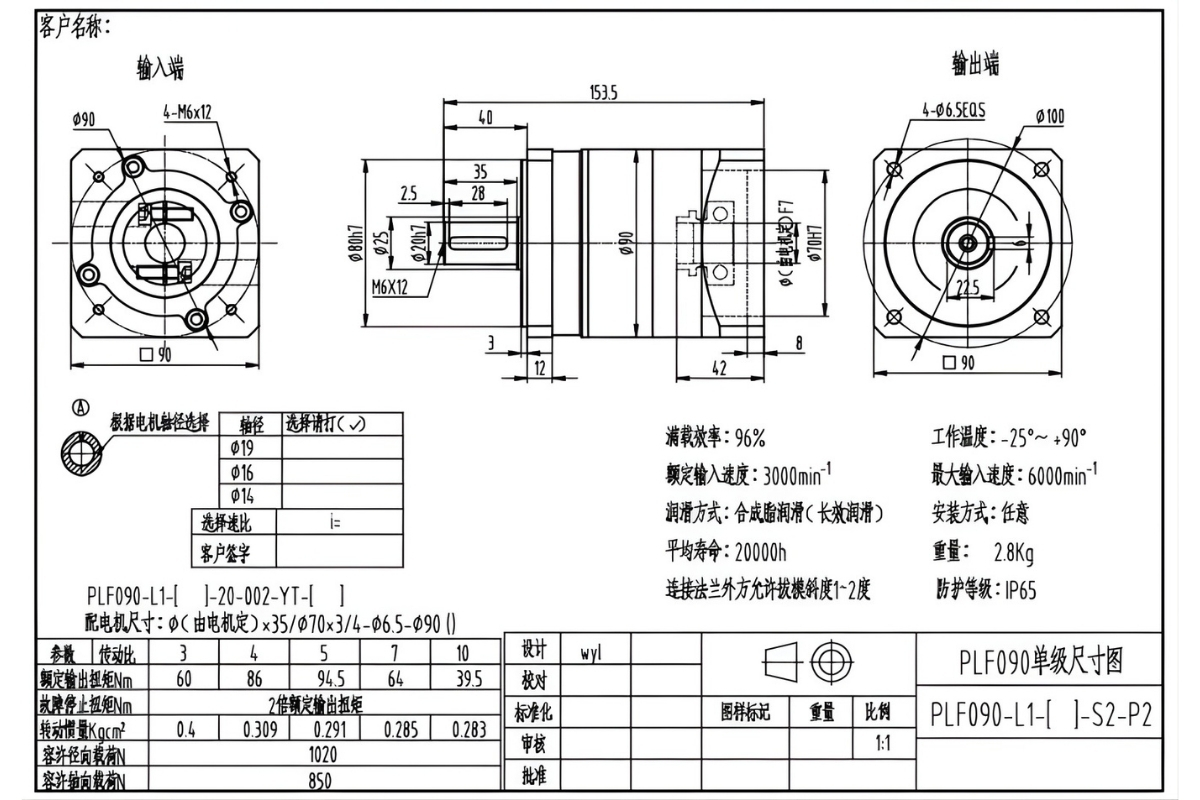
Để quý khách dễ dàng lựa chọn, dưới đây là thông số kỹ thuật chi tiết của bộ giảm tốc PLF090-L1-10-S2-P2. Thông tin này giúp đánh giá chính xác về hiệu suất, độ chính xác và khả năng tương thích của sản phẩm trong từng ứng dụng thực tế.

Ảnh thông số kỹ thuật bộ giảm tốc PLF090-L1-10-S2-P2
Hộp giảm tốc là thiết bị không thể thiếu trong các hệ thống truyền động công nghiệp, giúp giảm tốc độ động cơ, tăng mô-men xoắn và tối ưu hóa hiệu suất làm việc của máy móc. Việc lựa chọn hộp giảm tốc chất lượng cao như PLF090-L1-10-S2-P2 đảm bảo sự vận hành bền bỉ, ổn định, giảm thiểu chi phí bảo trì và nâng cao năng suất sản xuất. Để được tư vấn chi tiết và hỗ trợ lựa chọn sản phẩm phù hợp, quý khách vui lòng liên hệ Kỷ Nguyên Máy qua hotline: 077. 209. 8686.
Với mục đích đem đến cho khách hàng trải nghiệm mua sắm tốt nhất, chúng tôi đưa ra các phương thức thanh toán sau để quý khách dễ dàng lựa chọn tùy theo nhu cầu của mình. Các phương thức thanh toán bao gồm:
1. Thanh toán trực tiếp bằng tiền mặt
Phương thức thanh toán này được áp dụng trong 2 trường hợp sau:
| 1. Mua hàng trực tiếp tại cửa hàng | Thanh toán trực tiếp với nhân viên tại văn phòng hoặc tại kho của công ty. |
| 2. Giao hàng và thu tiền tại địa điểm giao nhận (COD) | Thanh toán cho bên vận chuyển toàn bộ giá trị đơn hàng hoặc phần còn lại (nếu đã đặt cọc). |
2. Chuyển khoản qua Ngân hàng
Phương thức này được áp dụng trong trường hợp khách hàng ở xa hoặc có nhu cầu sử dụng phương thức này. Quý khách có thể chuyển tiền vào tài khoản Ngân hàng của chúng tôi qua thông tin sau:
|
Thông tin chuyển khoản
|
![]() |
Lưu ý:
Thông tin liên hệ
Mọi thông tin liên hệ, đóng góp ý kiến liên quan xin vui lòng liên hệ theo địa chỉ sau:
Công Ty Cổ Phần Dịch Vụ Thương Mại Tổng Hợp Đức Thiện
1. Đối tượng áp dụng
Tất cả khách hàng mua các sản phẩm sàn tại Kỷ Nguyên Máy
2. Phạm vi giao hàng
Công ty chúng tôi cam kết giao hàng toàn quốc, bao phủ tất cả 63 tỉnh thành trên lãnh thổ Việt Nam một cách nhanh chóng và đáng tin cậy.
Hệ thống đối tác vận chuyển uy tín đảm bảo hàng công nghiệp (máy tiện, ray trượt) nguyên vẹn, kèm kiểm tra hàng trước khi nhận và bảo hiểm 100% giá trị đơn hàng.
3. Chi phí vận chuyển
Chúng tôi nhận hỗ trợ tìm công ty vận chuyển tất cả sản phẩm linh kiện tự động hóa và cơ khí chính xác khi khách hàng mua tại Kỷ Nguyên Máy với phương thức tính phí phụ thuộc vào cước phí hiện hành hoặc theo thỏa thuận giữa hai bên và phụ thuộc vào các yếu tố sau:
*Lưu ý: Kỷ Nguyên Máy không bao gồm dịch vụ vận chuyển. Vui lòng liên hệ trực tiếp với nhân viên tư vấn để được hỗ trợ về phương thức và chi phí giao nhận.
4. Đóng gói, bảo quản trước khi giao hàng
Hàng hóa sẽ được đóng gói tùy thuộc vào các trường hợp sau:
5. Trách nhiệm của các bên khi giao nhận
* Trách nhiệm của Kỷ Nguyên Máy
Trong trường hợp giao nhận qua bên thứ ba (công ty vận chuyển do khách hàng hoặc Kỷ Nguyên Máy hỗ trợ liên hệ), trách nhiệm về chứng từ, hóa đơn cũng như kiểm tra tình trạng hàng hóa thuộc về khách hàng ngay khi nhận hàng từ đơn vị vận chuyển. Mọi rủi ro về hư hỏng, bể vỡ hoặc mất mát phát sinh trong quá trình vận chuyển qua bên thứ ba sẽ không thuộc trách nhiệm bồi hoàn của Kỷ Nguyên Máy.
* Trách nhiệm của khách hàng
Thông tin liên hệ
Mọi thông tin liên hệ, đóng góp ý kiến liên quan xin vui lòng liên hệ theo địa chỉ sau:
Công Ty Cổ Phần Dịch Vụ Thương Mại Tổng Hợp Đức Thiện