-
- Tổng tiền thanh toán:
THÔNG TIN SẢN PHẨM:
1. Mã sản phẩm: Tấm che trục vitme
2. Model: phi 12, phi 15, phi 16, phi 18, phi 20, phi 25, phi 30, phi 32, phi 35, phi 40, phi 45, phi 55, phi 60, phi 70, phi 80, phi 90, phi 100, phi 110, phi 115
3. Cam kết: Hàng tận xưởng, bảo hành dài lâu, hỗ trợ miễn phí, giao nhanh toàn quốc.
4. Khả năng cung cấp hiện thời: 1000 sản phẩm.
Nhập khẩu trực tiếp
Giao nhanh toàn quốc
Theo đúng chính sách
Tấm che trục vitme là phụ kiện không thể thiếu giúp bảo vệ vitme khỏi bụi bẩn, dầu mỡ và tác động cơ học trong quá trình vận hành máy. Sản phẩm làm từ vải cao su 3 lớp, có khả năng chống thấm, chống cháy, chống dầu, chống hóa chất, chịu nhiệt từ -40°C đến 110°C. Thiết kế ống xếp nếp giúp lắp đặt dễ dàng, hoạt động ổn định khi trục di chuyển. Co tối thiểu 40–180mm, giãn tối đa 1000mm mỗi tấm. Lướt xuống dưới để tìm hiểu chi tiết hơn về sản phẩm.
Video Tấm chắn bụi trục vít me D32

Ảnh Tấm chắn bụi trục vít me D32
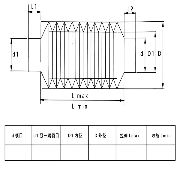
Chắn bụi trục vít me trục được thiết kế linh hoạt, tối ưu cho hầu hết các dòng vitme bi phổ biến trên thị trường hiện nay. Sản phẩm sở hữu nhiều lựa chọn kích thước, khả năng co giãn linh hoạt lên tới 1 mét và đặc biệt có thể ghép nối nhiều tấm để đáp ứng yêu cầu chiều dài vượt trội cho từng ứng dụng. Để giúp bạn dễ dàng lựa chọn đúng loại chắn bụi phù hợp với mỗi loại trục vít me, mời bạn tham khảo bảng thông số kỹ thuật chi tiết dưới đây.

Ảnh bảng vẽ thông số kích thước tham khảo
(*) Lưu ý: Kích thước có thể sản xuất theo yêu cầu. Khách hàng vui lòng liên hệ để được tư vấn chi tiết nhất.
Chắn bụi trục vít me trục tròn giúp bảo vệ trục khỏi bụi bẩn, nước và các tác động từ môi trường, đồng thời nâng cao tuổi thọ và hiệu suất máy móc. Với thiết kế linh hoạt, đa dạng kích thước, đây là phụ kiện không thể thiếu cho hệ truyền động. Kỷ Nguyên Máy hiện cung cấp nhiều mẫu chắn bụi chất lượng, phù hợp từng loại máy. Liên hệ ngay hotline 077.209.8686 để được tư vấn chi tiết!
Với mục đích đem đến cho khách hàng trải nghiệm mua sắm tốt nhất, chúng tôi đưa ra các phương thức thanh toán sau để quý khách dễ dàng lựa chọn tùy theo nhu cầu của mình. Các phương thức thanh toán bao gồm:
1. Thanh toán trực tiếp bằng tiền mặt
Phương thức thanh toán này được áp dụng trong 2 trường hợp sau:
| 1. Mua hàng trực tiếp tại cửa hàng | Thanh toán trực tiếp với nhân viên tại văn phòng hoặc tại kho của công ty. |
| 2. Giao hàng và thu tiền tại địa điểm giao nhận (COD) | Thanh toán cho bên vận chuyển toàn bộ giá trị đơn hàng hoặc phần còn lại (nếu đã đặt cọc). |
2. Chuyển khoản qua Ngân hàng
Phương thức này được áp dụng trong trường hợp khách hàng ở xa hoặc có nhu cầu sử dụng phương thức này. Quý khách có thể chuyển tiền vào tài khoản Ngân hàng của chúng tôi qua thông tin sau:
|
Thông tin chuyển khoản
|
![]() |
Lưu ý:
Thông tin liên hệ
Mọi thông tin liên hệ, đóng góp ý kiến liên quan xin vui lòng liên hệ theo địa chỉ sau:
Công Ty Cổ Phần Dịch Vụ Thương Mại Tổng Hợp Đức Thiện
1. Đối tượng áp dụng
Tất cả khách hàng mua các sản phẩm sàn tại Kỷ Nguyên Máy
2. Phạm vi giao hàng
Công ty chúng tôi cam kết giao hàng toàn quốc, bao phủ tất cả 63 tỉnh thành trên lãnh thổ Việt Nam một cách nhanh chóng và đáng tin cậy.
Hệ thống đối tác vận chuyển uy tín đảm bảo hàng công nghiệp (máy tiện, ray trượt) nguyên vẹn, kèm kiểm tra hàng trước khi nhận và bảo hiểm 100% giá trị đơn hàng.
3. Chi phí vận chuyển
Chúng tôi nhận hỗ trợ tìm công ty vận chuyển tất cả sản phẩm linh kiện tự động hóa và cơ khí chính xác khi khách hàng mua tại Kỷ Nguyên Máy với phương thức tính phí phụ thuộc vào cước phí hiện hành hoặc theo thỏa thuận giữa hai bên và phụ thuộc vào các yếu tố sau:
*Lưu ý: Kỷ Nguyên Máy không bao gồm dịch vụ vận chuyển. Vui lòng liên hệ trực tiếp với nhân viên tư vấn để được hỗ trợ về phương thức và chi phí giao nhận.
4. Đóng gói, bảo quản trước khi giao hàng
Hàng hóa sẽ được đóng gói tùy thuộc vào các trường hợp sau:
5. Trách nhiệm của các bên khi giao nhận
* Trách nhiệm của Kỷ Nguyên Máy
Trong trường hợp giao nhận qua bên thứ ba (công ty vận chuyển do khách hàng hoặc Kỷ Nguyên Máy hỗ trợ liên hệ), trách nhiệm về chứng từ, hóa đơn cũng như kiểm tra tình trạng hàng hóa thuộc về khách hàng ngay khi nhận hàng từ đơn vị vận chuyển. Mọi rủi ro về hư hỏng, bể vỡ hoặc mất mát phát sinh trong quá trình vận chuyển qua bên thứ ba sẽ không thuộc trách nhiệm bồi hoàn của Kỷ Nguyên Máy.
* Trách nhiệm của khách hàng
Thông tin liên hệ
Mọi thông tin liên hệ, đóng góp ý kiến liên quan xin vui lòng liên hệ theo địa chỉ sau:
Công Ty Cổ Phần Dịch Vụ Thương Mại Tổng Hợp Đức Thiện