-
- Tổng tiền thanh toán:
THÔNG TIN SẢN PHẨM:
1. Mã sản phẩm: Bộ 8Nm LEADSHINE driver H2-2206 & động cơ 863HSM
2. Model: Driver H2-2206, động cơ 863HSM80, động cơ 863HSM100H
3. Cam kết: Hàng mới 100%, hỗ trợ tư vấn và báo giá 24/7, nhiều chương trình ưu đãi hấp dẫn.
4. Khả năng cung cấp hiện thời: 1000 sản phẩm
Nhập khẩu trực tiếp
Giao nhanh toàn quốc
Theo đúng chính sách
Bộ LEADSHINE driver H2-2206 & động cơ 863HSM80, 863HSM100H là giải pháp truyền động mạnh mẽ, đáp ứng tốt các yêu cầu công suất cao trong công nghiệp. Với công suất motor 500W và dòng điện tối đa 6A, thiết bị đảm bảo mô-men xoắn lớn, hiệu suất ổn định và độ tin cậy cao cho nhiều ứng dụng khác nhau. Kéo xuống để tham khảo chi tiết linh kiện!

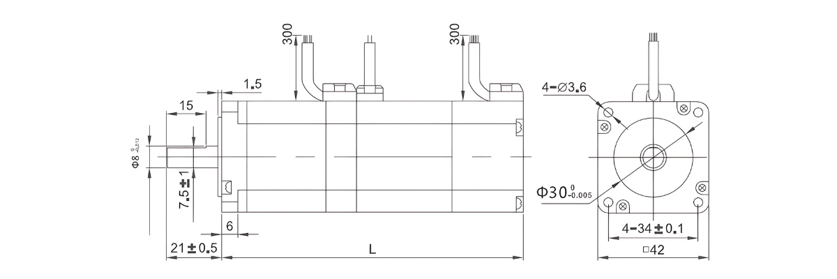
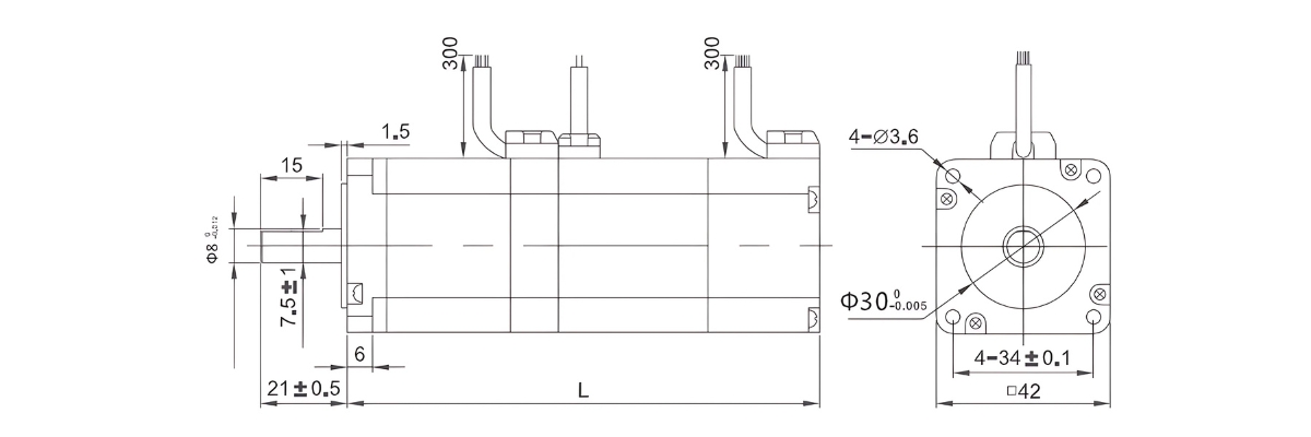
Ảnh bộ LEADSHINE driver H2-2206 & động cơ 863HSM80, 863HSM100H
Sự kết hợp giữa Driver LEADSHINE H2-2206 và động cơ bước 863HSM tạo nên giải pháp truyền động bền bỉ, tin cậy cho các ứng dụng yêu cầu tải nặng. Bảng thông số kỹ thuật sau sẽ giúp bạn dễ dàng đánh giá và lựa chọn cấu hình phù hợp cho dự án của mình.

Ảnh thông số kỹ thuật driver H2-2206

Ảnh thông số kỹ thuật động cơ 863HSM80, 863HSM100H
Bộ LEADSHINE driver H2-2206 & động cơ 863HSM80, 863HSM100H sở hữu sức mạnh vượt trội, khả năng điều khiển chính xác và vận hành ổn định, đáp ứng tốt các yêu cầu khắt khe trong lĩnh vực máy CNC, máy chế biến gỗ, máy đóng gói hay dây chuyền sản xuất tự động. Với hiệu suất cao và tuổi thọ bền bỉ, đây là lựa chọn tối ưu giúp doanh nghiệp nâng cao năng suất và chất lượng sản phẩm. Liên hệ Kỷ Nguyên Máy qua hotline: 077.209.8686 để được tư vấn và báo giá nhanh chóng.
Với mục đích đem đến cho khách hàng trải nghiệm mua sắm tốt nhất, chúng tôi đưa ra các phương thức thanh toán sau để quý khách dễ dàng lựa chọn tùy theo nhu cầu của mình. Các phương thức thanh toán bao gồm:
1. Thanh toán trực tiếp bằng tiền mặt
Phương thức thanh toán này được áp dụng trong 2 trường hợp sau:
| 1. Mua hàng trực tiếp tại cửa hàng | Thanh toán trực tiếp với nhân viên tại văn phòng hoặc tại kho của công ty. |
| 2. Giao hàng và thu tiền tại địa điểm giao nhận (COD) | Thanh toán cho bên vận chuyển toàn bộ giá trị đơn hàng hoặc phần còn lại (nếu đã đặt cọc). |
2. Chuyển khoản qua Ngân hàng
Phương thức này được áp dụng trong trường hợp khách hàng ở xa hoặc có nhu cầu sử dụng phương thức này. Quý khách có thể chuyển tiền vào tài khoản Ngân hàng của chúng tôi qua thông tin sau:
|
Thông tin chuyển khoản
|
![]() |
Lưu ý:
Thông tin liên hệ
Mọi thông tin liên hệ, đóng góp ý kiến liên quan xin vui lòng liên hệ theo địa chỉ sau:
Công Ty Cổ Phần Dịch Vụ Thương Mại Tổng Hợp Đức Thiện
1. Đối tượng áp dụng
Tất cả khách hàng mua các sản phẩm sàn tại Kỷ Nguyên Máy
2. Phạm vi giao hàng
Công ty chúng tôi cam kết giao hàng toàn quốc, bao phủ tất cả 63 tỉnh thành trên lãnh thổ Việt Nam một cách nhanh chóng và đáng tin cậy.
Hệ thống đối tác vận chuyển uy tín đảm bảo hàng công nghiệp (máy tiện, ray trượt) nguyên vẹn, kèm kiểm tra hàng trước khi nhận và bảo hiểm 100% giá trị đơn hàng.
3. Chi phí vận chuyển
Chúng tôi nhận hỗ trợ tìm công ty vận chuyển tất cả sản phẩm linh kiện tự động hóa và cơ khí chính xác khi khách hàng mua tại Kỷ Nguyên Máy với phương thức tính phí phụ thuộc vào cước phí hiện hành hoặc theo thỏa thuận giữa hai bên và phụ thuộc vào các yếu tố sau:
*Lưu ý: Kỷ Nguyên Máy không bao gồm dịch vụ vận chuyển. Vui lòng liên hệ trực tiếp với nhân viên tư vấn để được hỗ trợ về phương thức và chi phí giao nhận.
4. Đóng gói, bảo quản trước khi giao hàng
Hàng hóa sẽ được đóng gói tùy thuộc vào các trường hợp sau:
5. Trách nhiệm của các bên khi giao nhận
* Trách nhiệm của Kỷ Nguyên Máy
Trong trường hợp giao nhận qua bên thứ ba (công ty vận chuyển do khách hàng hoặc Kỷ Nguyên Máy hỗ trợ liên hệ), trách nhiệm về chứng từ, hóa đơn cũng như kiểm tra tình trạng hàng hóa thuộc về khách hàng ngay khi nhận hàng từ đơn vị vận chuyển. Mọi rủi ro về hư hỏng, bể vỡ hoặc mất mát phát sinh trong quá trình vận chuyển qua bên thứ ba sẽ không thuộc trách nhiệm bồi hoàn của Kỷ Nguyên Máy.
* Trách nhiệm của khách hàng
Thông tin liên hệ
Mọi thông tin liên hệ, đóng góp ý kiến liên quan xin vui lòng liên hệ theo địa chỉ sau:
Công Ty Cổ Phần Dịch Vụ Thương Mại Tổng Hợp Đức Thiện