-
- Tổng tiền thanh toán:
THÔNG TIN SẢN PHẨM
1. Mã sản phẩm: NSK HS
2. Model:
3. Cam kết: Hàng chính hãng, bảo hành 1 năm, đổi trả trong 15 ngày kể từ khi nhận được hàng hoá.
4. Xuất xứ: Nhật Bản
5. Khả năng cung cấp hiện thời: 100 sản phẩm
Nhập khẩu trực tiếp
Giao nhanh toàn quốc
Theo đúng chính sách
Nhờ độ bền cao, tuổi thọ dài và ít phải bảo trì, con trượt NSK LE giúp giảm thiểu chi phí vận hành và tăng năng suất làm việc. Bên cạnh đó, việc sử dụng bi trượt LE còn giúp nâng cao chất lượng sản phẩm cuối cùng, đáp ứng các yêu cầu khắt khe của thị trường. Bạn sẽ tìm thấy những điều thú vị khi kéo xuống dưới bài.
Con trượt NSK LE là dòng sản phẩm mini đến từ thương hiệu NSK. Đây là một giải pháp hoàn hảo cho các ứng dụng đòi hỏi độ chính xác cao, khả năng chịu tải lớn và độ bền cao. Với thiết kế tối ưu, chất liệu cao cấp và nhiều tính năng vượt trội, con trượt NSK này không chỉ đáp ứng được các yêu cầu kỹ thuật khắt khe mà còn mang đến hiệu quả kinh tế cao cho người sử dụng.

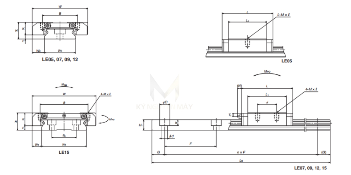
Sự kết hợp hoàn hảo giữa ray trượt LE và bi trượt LE không chỉ mang đến hiệu suất hoạt động ổn định mà còn tạo nên một giải pháp linh hoạt, đáp ứng đa dạng các nhu cầu ứng dụng. Với nhiều kích thước và mẫu mã khác nhau, việc lựa chọn sản phẩm phù hợp trở nên dễ dàng hơn bao giờ hết, giúp tối ưu hóa hiệu suất và tiết kiệm chi phí cho khách hàng, cụ thể:
Bảng thông số kỹ thuật bên dưới cung cấp một cái nhìn tổng quan chi tiết về các đặc tính kỹ thuật của bi bạc trượt trượt LE. Hiểu rõ các thông số này là vô cùng quan trọng để bạn có thể lựa chọn sản phẩm phù hợp nhất với nhu cầu ứng dụng của mình. Từ đó, đảm bảo hiệu suất làm việc tối ưu và tuổi thọ lâu dài cho thiết bị.






Kỷ Nguyên Máy là đơn vị cung cấp sản phẩm chính hãng, chất lượng cao và là nơi phân phối các danh mục sản phẩm trong lĩnh vực cung cấp các linh kiện cơ khí như: NSK, HIWIN, TBI, THK, CPC,...
Về chúng tôi hiện tại có 2 chi nhánh chính tại Hà Nội và Đà Nẵng.
Kết nối với chúng tôi linh kiện cơ khí chính hãng - Thông tin liên hệ với chúng tôi: 0772098686
✅ Để được tư vấn thông tin sản phẩm; mã sản phẩm;
✅ Danh mục sản phẩm về giá cả cũng như số lượng;
✅ Thông báo tình trạng còn hàng số lượng sản phẩm;
✅ Thêm vào giỏ hàng dễ dàng và mua hàng nhanh chóng
✅ Giao hàng toàn quốc.
Tóm lại, con trượt NSK LE đã chứng tỏ là một giải pháp tối ưu cho các ứng dụng công nghiệp hiện đại. Với độ chính xác cao, độ bền vượt trội và khả năng chịu tải lớn, LE góp phần nâng cao hiệu suất và chất lượng sản phẩm, đồng thời giảm thiểu chi phí sản xuất. Sự đa dạng về kích thước và mẫu mã giúp linh kiện phù hợp với nhiều ứng dụng khác nhau, từ các máy móc tự động hóa đến các thiết bị điện tử chính xác. Việc lựa chọn bạc trượt LE là một quyết định thông minh cho các doanh nghiệp muốn nâng cao năng suất và cạnh tranh trên thị trường.
Với mục đích đem đến cho khách hàng trải nghiệm mua sắm tốt nhất, chúng tôi đưa ra các phương thức thanh toán sau để quý khách dễ dàng lựa chọn tùy theo nhu cầu của mình. Các phương thức thanh toán bao gồm:
1. Thanh toán trực tiếp bằng tiền mặt
Phương thức thanh toán này được áp dụng trong 2 trường hợp sau:
| 1. Mua hàng trực tiếp tại cửa hàng | Thanh toán trực tiếp với nhân viên tại văn phòng hoặc tại kho của công ty. |
| 2. Giao hàng và thu tiền tại địa điểm giao nhận (COD) | Thanh toán cho bên vận chuyển toàn bộ giá trị đơn hàng hoặc phần còn lại (nếu đã đặt cọc). |
2. Chuyển khoản qua Ngân hàng
Phương thức này được áp dụng trong trường hợp khách hàng ở xa hoặc có nhu cầu sử dụng phương thức này. Quý khách có thể chuyển tiền vào tài khoản Ngân hàng của chúng tôi qua thông tin sau:
|
Thông tin chuyển khoản
|
![]() |
Lưu ý:
Thông tin liên hệ
Mọi thông tin liên hệ, đóng góp ý kiến liên quan xin vui lòng liên hệ theo địa chỉ sau:
Công Ty Cổ Phần Dịch Vụ Thương Mại Tổng Hợp Đức Thiện
1. Đối tượng áp dụng
Tất cả khách hàng mua các sản phẩm sàn tại Kỷ Nguyên Máy
2. Phạm vi giao hàng
Công ty chúng tôi cam kết giao hàng toàn quốc, bao phủ tất cả 63 tỉnh thành trên lãnh thổ Việt Nam một cách nhanh chóng và đáng tin cậy.
Hệ thống đối tác vận chuyển uy tín đảm bảo hàng công nghiệp (máy tiện, ray trượt) nguyên vẹn, kèm kiểm tra hàng trước khi nhận và bảo hiểm 100% giá trị đơn hàng.
3. Chi phí vận chuyển
Chúng tôi nhận hỗ trợ tìm công ty vận chuyển tất cả sản phẩm linh kiện tự động hóa và cơ khí chính xác khi khách hàng mua tại Kỷ Nguyên Máy với phương thức tính phí phụ thuộc vào cước phí hiện hành hoặc theo thỏa thuận giữa hai bên và phụ thuộc vào các yếu tố sau:
*Lưu ý: Kỷ Nguyên Máy không bao gồm dịch vụ vận chuyển. Vui lòng liên hệ trực tiếp với nhân viên tư vấn để được hỗ trợ về phương thức và chi phí giao nhận.
4. Đóng gói, bảo quản trước khi giao hàng
Hàng hóa sẽ được đóng gói tùy thuộc vào các trường hợp sau:
5. Trách nhiệm của các bên khi giao nhận
* Trách nhiệm của Kỷ Nguyên Máy
Trong trường hợp giao nhận qua bên thứ ba (công ty vận chuyển do khách hàng hoặc Kỷ Nguyên Máy hỗ trợ liên hệ), trách nhiệm về chứng từ, hóa đơn cũng như kiểm tra tình trạng hàng hóa thuộc về khách hàng ngay khi nhận hàng từ đơn vị vận chuyển. Mọi rủi ro về hư hỏng, bể vỡ hoặc mất mát phát sinh trong quá trình vận chuyển qua bên thứ ba sẽ không thuộc trách nhiệm bồi hoàn của Kỷ Nguyên Máy.
* Trách nhiệm của khách hàng
Thông tin liên hệ
Mọi thông tin liên hệ, đóng góp ý kiến liên quan xin vui lòng liên hệ theo địa chỉ sau:
Công Ty Cổ Phần Dịch Vụ Thương Mại Tổng Hợp Đức Thiện