-
- Tổng tiền thanh toán:
THÔNG TIN SẢN PHẨM:
1. Tên sản phẩm: Drive MS-S3 YAKO & động cơ YK286EC
2. Model: Drive MS-S3 YAKO, động cơ YK286EC80A1, động cơ YK286EC118A1, động cơ YK286EC156A1
3. Cam kết: Hàng tận xưởng, bảo hành dài lâu, hỗ trợ miễn phí, giao nhanh toàn quốc.
4. Khả năng cung cấp hiện thời: 1000 sản phẩm.
Nhập khẩu trực tiếp
Giao nhanh toàn quốc
Theo đúng chính sách
Bộ drive MS-S3 YAKO & động cơ YK286EC80A1, YK286EC118A1, YK286EC156A1 là bộ linh kiện mang đến giải pháp truyền động mạnh mẽ và chính xác cho các hệ thống cơ khí hiện đại. Động cơ có bước góc 1.8°, dòng định mức 6.0A và 4 dây kết nối, đảm bảo mô-men xoắn cao và vận hành ổn định. Driver MS-S3 sở hữu thiết kế nhỏ gọn với kích thước 157x135x57mm, dễ dàng lắp đặt trong tủ điều khiển, giúp tối ưu không gian và tăng hiệu suất làm việc cho các máy CNC, máy khắc và thiết bị tự động hóa. Kéo xuống để tham khảo chi tiết linh kiện!

Ảnh drive MS-S3 YAKO & động cơ YK286EC
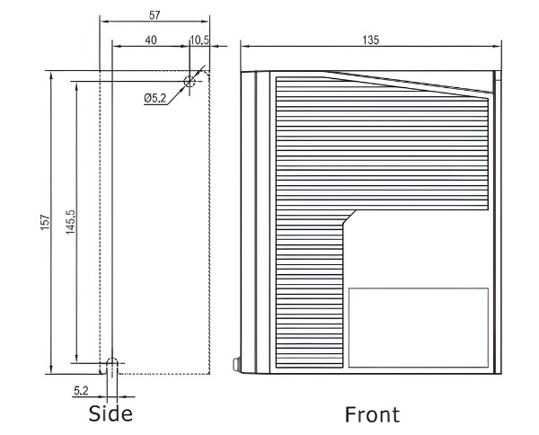
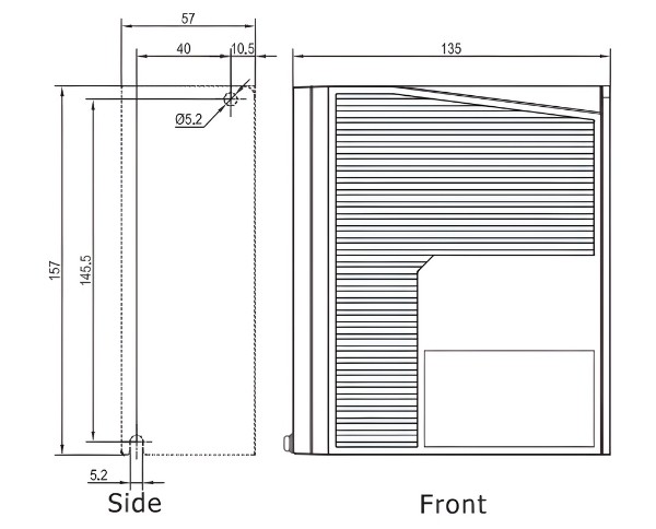
Trước khi tích hợp vào hệ thống cơ điện, việc tra cứu thông số kỹ thuật của drive MS-S3 YAKO & động cơ YK286EC là bước cần thiết để đảm bảo tương thích và độ chính xác trong vận hành. Bảng sau đây trình bày đầy đủ các thông tin về kích thước, đặc tính điện và tải trọng cho bạn tham khảo.

Ảnh thông số kỹ thuật drive MS-S3 YAKO

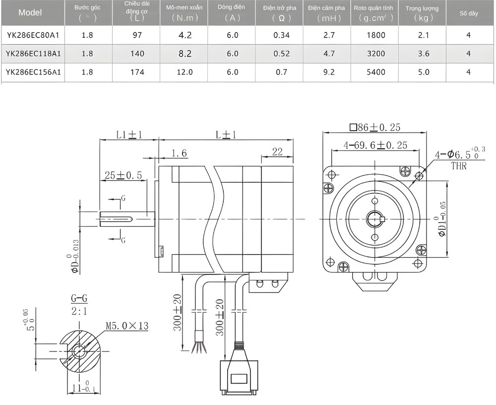
Ảnh thông số kỹ thuật động cơ YK286EC80A1, YK286EC118A1, YK286EC156A1
Bộ drive MS-S3 YAKO kết hợp với động cơ YK286EC80A1, YK286EC118A1, YK286EC156A1 mang lại hiệu suất truyền động mạnh mẽ, độ ổn định cao và khả năng vận hành êm ái cho các hệ thống cơ khí chính xác. Nếu bạn cần tư vấn chọn cấu hình phù hợp cho máy CNC, dây chuyền tự động hoặc robot công nghiệp, hãy liên hệ Kỷ Nguyên Máy qua hotline: 077.209.8686 để được hỗ trợ tận tình.
Với mục đích đem đến cho khách hàng trải nghiệm mua sắm tốt nhất, chúng tôi đưa ra các phương thức thanh toán sau để quý khách dễ dàng lựa chọn tùy theo nhu cầu của mình. Các phương thức thanh toán bao gồm:
1. Thanh toán trực tiếp bằng tiền mặt
Phương thức thanh toán này được áp dụng trong 2 trường hợp sau:
| 1. Mua hàng trực tiếp tại cửa hàng | Thanh toán trực tiếp với nhân viên tại văn phòng hoặc tại kho của công ty. |
| 2. Giao hàng và thu tiền tại địa điểm giao nhận (COD) | Thanh toán cho bên vận chuyển toàn bộ giá trị đơn hàng hoặc phần còn lại (nếu đã đặt cọc). |
2. Chuyển khoản qua Ngân hàng
Phương thức này được áp dụng trong trường hợp khách hàng ở xa hoặc có nhu cầu sử dụng phương thức này. Quý khách có thể chuyển tiền vào tài khoản Ngân hàng của chúng tôi qua thông tin sau:
|
Thông tin chuyển khoản
|
![]() |
Lưu ý:
Thông tin liên hệ
Mọi thông tin liên hệ, đóng góp ý kiến liên quan xin vui lòng liên hệ theo địa chỉ sau:
Công Ty Cổ Phần Dịch Vụ Thương Mại Tổng Hợp Đức Thiện
1. Đối tượng áp dụng
Tất cả khách hàng mua các sản phẩm sàn tại Kỷ Nguyên Máy
2. Phạm vi giao hàng
Công ty chúng tôi cam kết giao hàng toàn quốc, bao phủ tất cả 63 tỉnh thành trên lãnh thổ Việt Nam một cách nhanh chóng và đáng tin cậy.
Hệ thống đối tác vận chuyển uy tín đảm bảo hàng công nghiệp (máy tiện, ray trượt) nguyên vẹn, kèm kiểm tra hàng trước khi nhận và bảo hiểm 100% giá trị đơn hàng.
3. Chi phí vận chuyển
Chúng tôi nhận hỗ trợ tìm công ty vận chuyển tất cả sản phẩm linh kiện tự động hóa và cơ khí chính xác khi khách hàng mua tại Kỷ Nguyên Máy với phương thức tính phí phụ thuộc vào cước phí hiện hành hoặc theo thỏa thuận giữa hai bên và phụ thuộc vào các yếu tố sau:
*Lưu ý: Kỷ Nguyên Máy không bao gồm dịch vụ vận chuyển. Vui lòng liên hệ trực tiếp với nhân viên tư vấn để được hỗ trợ về phương thức và chi phí giao nhận.
4. Đóng gói, bảo quản trước khi giao hàng
Hàng hóa sẽ được đóng gói tùy thuộc vào các trường hợp sau:
5. Trách nhiệm của các bên khi giao nhận
* Trách nhiệm của Kỷ Nguyên Máy
Trong trường hợp giao nhận qua bên thứ ba (công ty vận chuyển do khách hàng hoặc Kỷ Nguyên Máy hỗ trợ liên hệ), trách nhiệm về chứng từ, hóa đơn cũng như kiểm tra tình trạng hàng hóa thuộc về khách hàng ngay khi nhận hàng từ đơn vị vận chuyển. Mọi rủi ro về hư hỏng, bể vỡ hoặc mất mát phát sinh trong quá trình vận chuyển qua bên thứ ba sẽ không thuộc trách nhiệm bồi hoàn của Kỷ Nguyên Máy.
* Trách nhiệm của khách hàng
Thông tin liên hệ
Mọi thông tin liên hệ, đóng góp ý kiến liên quan xin vui lòng liên hệ theo địa chỉ sau:
Công Ty Cổ Phần Dịch Vụ Thương Mại Tổng Hợp Đức Thiện