-
- Tổng tiền thanh toán:
THÔNG TIN SẢN PHẨM:
1. Tên sản phẩm: Gối đỡ trục kiểu STHWRB, STHWRBL
2. Model:
3. Thiết kế: Mặt bích tròn, 4 lỗ bắt bulông chắc chắn.
4. Cam kết: Hàng mới 100%, hỗ trợ tư vấn và báo giá 24/7, nhiều chương trình ưu đãi hấp dẫn.
5. Khả năng cung cấp hiện thời: 1000 sản phẩm
Nhập khẩu trực tiếp
Giao nhanh toàn quốc
Theo đúng chính sách
Gối đỡ trục kiểu mặt bích tròn STHWRB, STHWRBL được chế tạo từ vật liệu hợp kim nhôm có độ bền cao, khả năng chịu lực và chống mài mòn tốt. Đây là chi tiết cơ khí dùng để cố định và định vị trục, đảm bảo trục hoạt động ổn định, giảm rung lắc khi máy vận hành. Với thiết kế mặt bích tròn, gối đỡ dễ dàng lắp đặt, tăng độ chắc chắn, đảm bảo an toàn trong quá trình làm việc. Nhờ chức năng hỗ trợ và bảo vệ trục, sản phẩm này thường được ứng dụng trong các hệ thống truyền động, máy móc công nghiệp và thiết bị cơ khí chính xác. Kéo xuống dưới để tìm hiểu chi tiết về linh kiện.

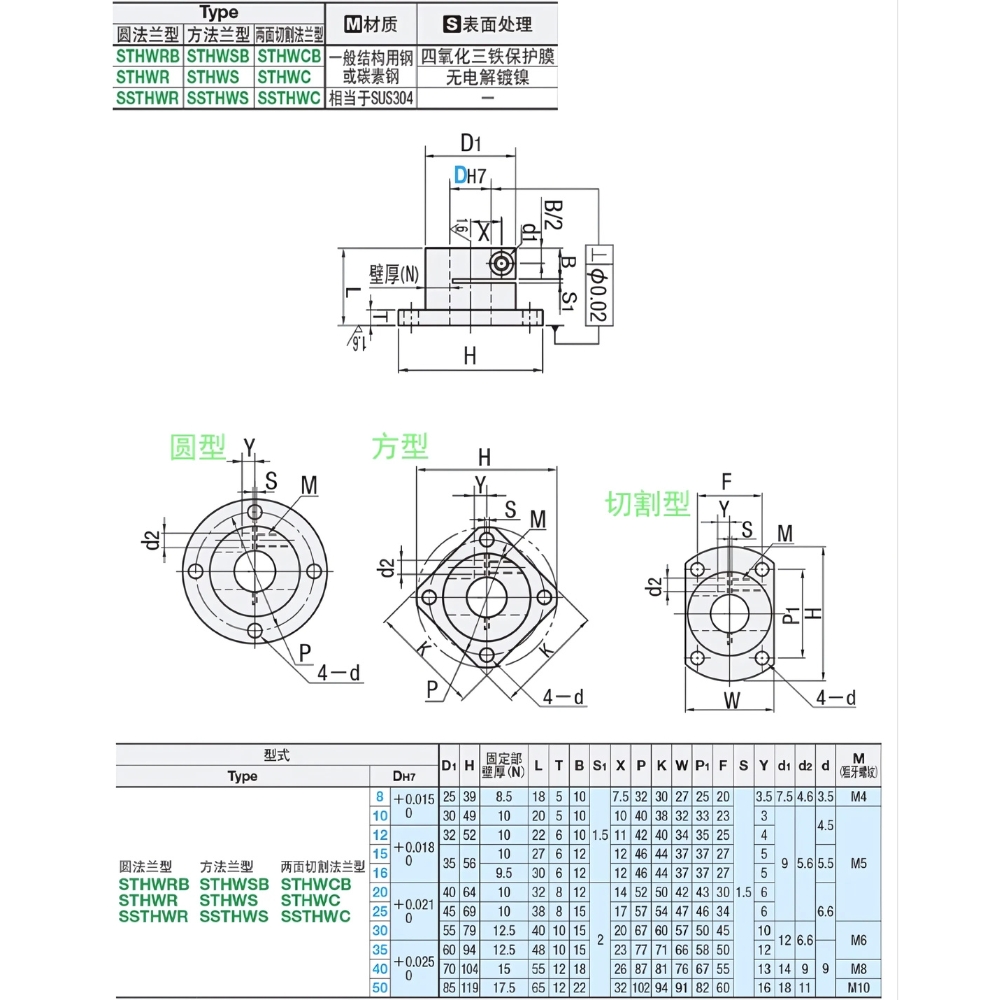
Ảnh gối đỡ trục kiểu mặt bích tròn STHWRB, STHWRBL
Gối đỡ trục kiểu THWRB, STHWRBL được thiết kế chắc chắn, giúp cố định và hỗ trợ trục quay ổn định trong quá trình vận hành máy móc. Để lựa chọn đúng loại gối đỡ phù hợp với nhu cầu sử dụng, bạn có thể tham khảo chi tiết các thông số kỹ thuật dưới đây.


Ảnh thông số kỹ thuật gối đỡ trục kiểu mặt bích tròn THWRB, STHWRBL
Gối đỡ trục kiểu mặt bích tròn STHWRB, STHWRBL không chỉ đáp ứng tốt yêu cầu về độ bền và khả năng chịu tải mà còn dễ dàng lắp đặt trong nhiều loại máy móc công nghiệp. Để được tư vấn và báo giá chi tiết, hãy liên hệ Kỷ Nguyên Máy qua hotline 077. 209. 8686.
Với mục đích đem đến cho khách hàng trải nghiệm mua sắm tốt nhất, chúng tôi đưa ra các phương thức thanh toán sau để quý khách dễ dàng lựa chọn tùy theo nhu cầu của mình. Các phương thức thanh toán bao gồm:
1. Thanh toán trực tiếp bằng tiền mặt
Phương thức thanh toán này được áp dụng trong 2 trường hợp sau:
| 1. Mua hàng trực tiếp tại cửa hàng | Thanh toán trực tiếp với nhân viên tại văn phòng hoặc tại kho của công ty. |
| 2. Giao hàng và thu tiền tại địa điểm giao nhận (COD) | Thanh toán cho bên vận chuyển toàn bộ giá trị đơn hàng hoặc phần còn lại (nếu đã đặt cọc). |
2. Chuyển khoản qua Ngân hàng
Phương thức này được áp dụng trong trường hợp khách hàng ở xa hoặc có nhu cầu sử dụng phương thức này. Quý khách có thể chuyển tiền vào tài khoản Ngân hàng của chúng tôi qua thông tin sau:
|
Thông tin chuyển khoản
|
![]() |
Lưu ý:
Thông tin liên hệ
Mọi thông tin liên hệ, đóng góp ý kiến liên quan xin vui lòng liên hệ theo địa chỉ sau:
Công Ty Cổ Phần Dịch Vụ Thương Mại Tổng Hợp Đức Thiện
1. Đối tượng áp dụng
Tất cả khách hàng mua các sản phẩm sàn tại Kỷ Nguyên Máy
2. Phạm vi giao hàng
Công ty chúng tôi cam kết giao hàng toàn quốc, bao phủ tất cả 63 tỉnh thành trên lãnh thổ Việt Nam một cách nhanh chóng và đáng tin cậy.
Hệ thống đối tác vận chuyển uy tín đảm bảo hàng công nghiệp (máy tiện, ray trượt) nguyên vẹn, kèm kiểm tra hàng trước khi nhận và bảo hiểm 100% giá trị đơn hàng.
3. Chi phí vận chuyển
Chúng tôi nhận hỗ trợ tìm công ty vận chuyển tất cả sản phẩm linh kiện tự động hóa và cơ khí chính xác khi khách hàng mua tại Kỷ Nguyên Máy với phương thức tính phí phụ thuộc vào cước phí hiện hành hoặc theo thỏa thuận giữa hai bên và phụ thuộc vào các yếu tố sau:
*Lưu ý: Kỷ Nguyên Máy không bao gồm dịch vụ vận chuyển. Vui lòng liên hệ trực tiếp với nhân viên tư vấn để được hỗ trợ về phương thức và chi phí giao nhận.
4. Đóng gói, bảo quản trước khi giao hàng
Hàng hóa sẽ được đóng gói tùy thuộc vào các trường hợp sau:
5. Trách nhiệm của các bên khi giao nhận
* Trách nhiệm của Kỷ Nguyên Máy
Trong trường hợp giao nhận qua bên thứ ba (công ty vận chuyển do khách hàng hoặc Kỷ Nguyên Máy hỗ trợ liên hệ), trách nhiệm về chứng từ, hóa đơn cũng như kiểm tra tình trạng hàng hóa thuộc về khách hàng ngay khi nhận hàng từ đơn vị vận chuyển. Mọi rủi ro về hư hỏng, bể vỡ hoặc mất mát phát sinh trong quá trình vận chuyển qua bên thứ ba sẽ không thuộc trách nhiệm bồi hoàn của Kỷ Nguyên Máy.
* Trách nhiệm của khách hàng
Thông tin liên hệ
Mọi thông tin liên hệ, đóng góp ý kiến liên quan xin vui lòng liên hệ theo địa chỉ sau:
Công Ty Cổ Phần Dịch Vụ Thương Mại Tổng Hợp Đức Thiện