-
- Tổng tiền thanh toán:
THÔNG TIN SẢN PHẨM:
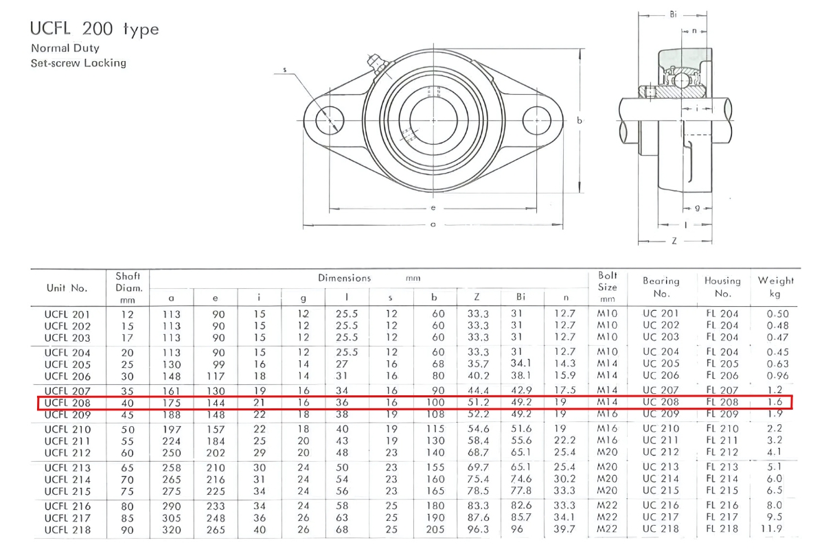
1. Mã sản phẩm: Gối đỡ vòng bi UCFL208
2. Thông số kỹ thuật:
- Đường kính trục: 40mm
- Chiều dài: 175mm
- Chiều rộng: 100mm
3. Cam kết: Hàng mới 100%, hỗ trợ tư vấn và báo giá 24/7, nhiều chương trình ưu đãi hấp dẫn.
4. Khả năng cung cấp hiện thời: 1000 sản phẩm
Nhập khẩu trực tiếp
Giao nhanh toàn quốc
Theo đúng chính sách
Gối đỡ vòng bi UCFL208 là một khối trụ với hai mặt bích hình thoi nhô ra ở hai bên giúp việc lắp ráp và cố định vào các bề mặt máy móc trở nên thuận tiện. Với kích thước đường kính trục 40mm, chiều dài tổng thể 175mm và chiều rộng 100mm, UCFL208 phù hợp với nhiều ứng dụng trong công nghiệp, từ băng tải, động cơ cho đến các thiết bị cơ khí chế tạo. Bên trong là vòng bi UC chất lượng cao, có nhiệm vụ giảm ma sát, hỗ trợ trục quay mượt mà và tăng hiệu suất hoạt động của hệ thống. Hãy kéo xuống để tiếp tục khám phá những thông tin thú vị về sản phẩm này!

Ảnh gối đỡ vòng bi UCFL208
Khi lựa chọn gối đỡ trục đứng UCFL208, việc nắm rõ các thông số kỹ thuật là yếu tố quan trọng giúp đảm bảo sự tương thích với hệ thống máy móc. UCFL208 sở hữu kích thước và thiết kế tối ưu, mang lại hiệu suất ổn định và tuổi thọ cao. Hãy cùng xem chi tiết thông số sản phẩm dưới đây:

Ảnh thông số kỹ thuật gối đỡ trục đứng UCFL208
Với độ bền cao, khả năng chịu tải tốt và dễ dàng lắp đặt, gối đỡ vòng bi UCFL208 giúp hệ thống vận hành trơn tru và hiệu quả. Để biết thêm chi tiết về sản phẩm và nhận tư vấn, hãy liên hệ với Kỷ Nguyên Máy qua hotline: 077.209.8686. Chúng tôi luôn sẵn sàng hỗ trợ bạn.
Với mục đích đem đến cho khách hàng trải nghiệm mua sắm tốt nhất, chúng tôi đưa ra các phương thức thanh toán sau để quý khách dễ dàng lựa chọn tùy theo nhu cầu của mình. Các phương thức thanh toán bao gồm:
1. Thanh toán trực tiếp bằng tiền mặt
Phương thức thanh toán này được áp dụng trong 2 trường hợp sau:
| 1. Mua hàng trực tiếp tại cửa hàng | Thanh toán trực tiếp với nhân viên tại văn phòng hoặc tại kho của công ty. |
| 2. Giao hàng và thu tiền tại địa điểm giao nhận (COD) | Thanh toán cho bên vận chuyển toàn bộ giá trị đơn hàng hoặc phần còn lại (nếu đã đặt cọc). |
2. Chuyển khoản qua Ngân hàng
Phương thức này được áp dụng trong trường hợp khách hàng ở xa hoặc có nhu cầu sử dụng phương thức này. Quý khách có thể chuyển tiền vào tài khoản Ngân hàng của chúng tôi qua thông tin sau:
|
Thông tin chuyển khoản
|
![]() |
Lưu ý:
Thông tin liên hệ
Mọi thông tin liên hệ, đóng góp ý kiến liên quan xin vui lòng liên hệ theo địa chỉ sau:
Công Ty Cổ Phần Dịch Vụ Thương Mại Tổng Hợp Đức Thiện
1. Đối tượng áp dụng
Tất cả khách hàng mua các sản phẩm sàn tại Kỷ Nguyên Máy
2. Phạm vi giao hàng
Công ty chúng tôi cam kết giao hàng toàn quốc, bao phủ tất cả 63 tỉnh thành trên lãnh thổ Việt Nam một cách nhanh chóng và đáng tin cậy.
Hệ thống đối tác vận chuyển uy tín đảm bảo hàng công nghiệp (máy tiện, ray trượt) nguyên vẹn, kèm kiểm tra hàng trước khi nhận và bảo hiểm 100% giá trị đơn hàng.
3. Chi phí vận chuyển
Chúng tôi nhận hỗ trợ tìm công ty vận chuyển tất cả sản phẩm linh kiện tự động hóa và cơ khí chính xác khi khách hàng mua tại Kỷ Nguyên Máy với phương thức tính phí phụ thuộc vào cước phí hiện hành hoặc theo thỏa thuận giữa hai bên và phụ thuộc vào các yếu tố sau:
*Lưu ý: Kỷ Nguyên Máy không bao gồm dịch vụ vận chuyển. Vui lòng liên hệ trực tiếp với nhân viên tư vấn để được hỗ trợ về phương thức và chi phí giao nhận.
4. Đóng gói, bảo quản trước khi giao hàng
Hàng hóa sẽ được đóng gói tùy thuộc vào các trường hợp sau:
5. Trách nhiệm của các bên khi giao nhận
* Trách nhiệm của Kỷ Nguyên Máy
Trong trường hợp giao nhận qua bên thứ ba (công ty vận chuyển do khách hàng hoặc Kỷ Nguyên Máy hỗ trợ liên hệ), trách nhiệm về chứng từ, hóa đơn cũng như kiểm tra tình trạng hàng hóa thuộc về khách hàng ngay khi nhận hàng từ đơn vị vận chuyển. Mọi rủi ro về hư hỏng, bể vỡ hoặc mất mát phát sinh trong quá trình vận chuyển qua bên thứ ba sẽ không thuộc trách nhiệm bồi hoàn của Kỷ Nguyên Máy.
* Trách nhiệm của khách hàng
Thông tin liên hệ
Mọi thông tin liên hệ, đóng góp ý kiến liên quan xin vui lòng liên hệ theo địa chỉ sau:
Công Ty Cổ Phần Dịch Vụ Thương Mại Tổng Hợp Đức Thiện