-
- Tổng tiền thanh toán:
THÔNG TIN SẢN PHẨM:
1. Mã sản phẩm: Hộp giảm tốc servo PLE
2. Model: PLE60, PLE90, PLE120, PLE160
3. Cam kết: Hàng mới 100%, hỗ trợ tư vấn và báo giá 24/7, nhiều chương trình ưu đãi hấp dẫn.
4. Khả năng cung cấp hiện thời: 1000 sản phẩm
Nhập khẩu trực tiếp
Giao nhanh toàn quốc
Theo đúng chính sách
Hộp giảm tốc servo PLE là dòng thiết bị truyền động với độ ồn thấp chỉ từ ≤65 dB đến ≤72 dB giúp giảm thiểu tiếng ồn trong quá trình vận hành. PLE có thể hoạt động liên tục trong dải nhiệt độ rộng từ -20°C đến +90°C và đạt tuổi thọ lên đến 20.000 giờ, đáp ứng tốt các yêu cầu khắt khe về độ bền và sự tin cậy trong các hệ thống servo hiện đại. Kéo xuống để tham khảo thông tin chi tiết linh kiện!

Ảnh hộp giảm tốc servo PLE
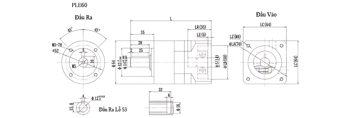
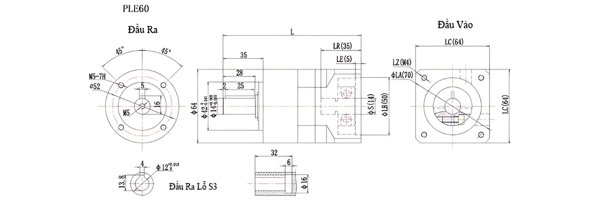
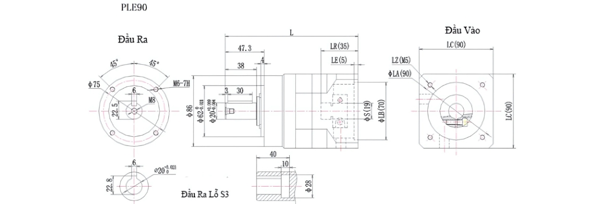
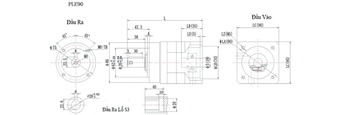
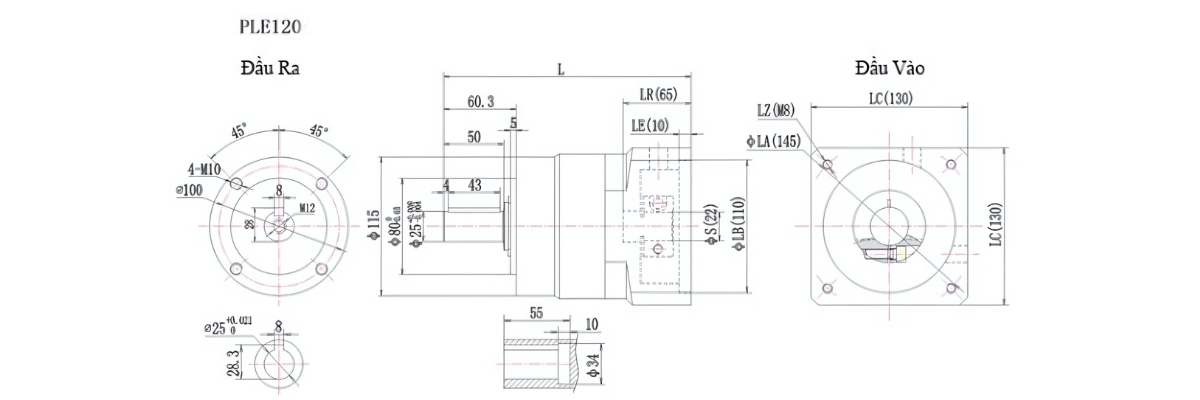
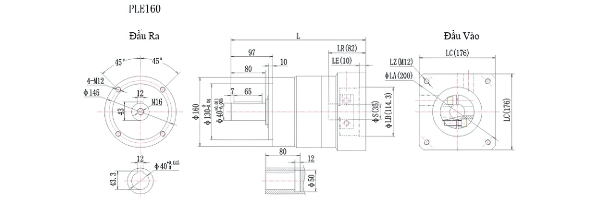
Để hệ thống servo hoạt động hiệu quả và đồng bộ, việc lựa chọn đúng hộp giảm tốc là rất quan trọng. Dưới đây là bảng thông số kỹ thuật chi tiết của dòng PLE - nơi bạn có thể tra cứu nhanh các thông tin về công suất, tốc độ, tải trọng và kích thước lắp đặt nhằm đảm bảo sự tương thích tối ưu với thiết bị.

|
Động cơ ghép nối |
LA |
LZ |
S |
LR |
LB |
LE |
LC |
L1 (ổ đĩa chính) |
L2 (ổ đĩa phụ) |
L3 (ổ đĩa 3) |
|
200W |
70 |
4-M4 |
⌀11(F7) |
35 |
⌀50(H7) |
5 |
64 |
120 |
139 |
158 |
|
400W |
70 |
4-M4 |
⌀14(F7) |
35 |
⌀50(H7) |
5 |
64 |
120 |
139 |
158 |

|
Công suất động cơ |
LA |
LZ |
S |
LR |
LB |
LE |
LC |
L1 (Ổ đĩa chính) |
L2 (Ổ đĩa phụ) |
L3 (Ổ đĩa 3) |
|
400W |
70 |
4-M4 |
14(F7) |
35 |
50(H7) |
5 |
90 |
161.5 |
184.5 |
202.5 |
|
750W |
90 |
4-M5 |
19(F7) |
35 |
70(H7) |
5 |
90 |
161.5 |
184.5 |
202.5 |

|
Động cơ ghép nối |
LA |
LZ |
S |
LR |
LB |
LE |
LC |
L1 (ổ đĩa chính) |
L2 (ổ đĩa phụ) |
L3 (ổ đĩa 3) |
|
750W |
90 |
4-M6 |
19(F7) |
55 |
70(H7) |
10 |
130 |
195 |
225 |
240 |
|
1500W |
145 |
4-M8 |
22/24(F7) |
65 |
110(H7) |
10 |
130 |
205 |
235 |
250 |
|
3000W |
165 |
4-M10 |
32F7 |
65 |
130(H7) |
10 |
150 |
215 |
245 |
360 |

|
Động cơ ghép nối |
LA |
LZ |
S |
LR |
LB |
LE |
LC |
L1 (ổ đĩa chính) |
L2 (ổ đĩa phụ) |
L3 (ổ đĩa 3) |
|
2000W |
145 |
4-M8 |
25(F7) |
65 |
100(H7) |
10 |
176 |
301 |
347.6 |
385.5 |
|
3000W |
200 |
4-M12 |
35(F7) |
80 |
134.3(H7) |
10 |
176 |
317.5 |
357.5 |
395.5 |
|
4000W |
215 |
4-M12 |
42(F7) |
115 |
180(H7) |
10 |
190 |
352.5 |
392.5 |
430.5 |
Bảng thông số kỹ thuật hộp giảm tốc servo PLE
Hộp giảm tốc servo PLE với độ rơ thấp và hiệu suất truyền lực vượt trội, linh kiện này giúp tối ưu hóa tốc độ, lực kéo và tuổi thọ của toàn hệ thống. Để được tư vấn và chọn mua hộp giảm tốc PLE giá tận xưởng, hãy liên hệ ngay Kỷ Nguyên Máy qua hotline: 077.209.8686.
Với mục đích đem đến cho khách hàng trải nghiệm mua sắm tốt nhất, chúng tôi đưa ra các phương thức thanh toán sau để quý khách dễ dàng lựa chọn tùy theo nhu cầu của mình. Các phương thức thanh toán bao gồm:
1. Thanh toán trực tiếp bằng tiền mặt
Phương thức thanh toán này được áp dụng trong 2 trường hợp sau:
| 1. Mua hàng trực tiếp tại cửa hàng | Thanh toán trực tiếp với nhân viên tại văn phòng hoặc tại kho của công ty. |
| 2. Giao hàng và thu tiền tại địa điểm giao nhận (COD) | Thanh toán cho bên vận chuyển toàn bộ giá trị đơn hàng hoặc phần còn lại (nếu đã đặt cọc). |
2. Chuyển khoản qua Ngân hàng
Phương thức này được áp dụng trong trường hợp khách hàng ở xa hoặc có nhu cầu sử dụng phương thức này. Quý khách có thể chuyển tiền vào tài khoản Ngân hàng của chúng tôi qua thông tin sau:
|
Thông tin chuyển khoản
|
![]() |
Lưu ý:
Thông tin liên hệ
Mọi thông tin liên hệ, đóng góp ý kiến liên quan xin vui lòng liên hệ theo địa chỉ sau:
Công Ty Cổ Phần Dịch Vụ Thương Mại Tổng Hợp Đức Thiện
1. Đối tượng áp dụng
Tất cả khách hàng mua các sản phẩm sàn tại Kỷ Nguyên Máy
2. Phạm vi giao hàng
Công ty chúng tôi cam kết giao hàng toàn quốc, bao phủ tất cả 63 tỉnh thành trên lãnh thổ Việt Nam một cách nhanh chóng và đáng tin cậy.
Hệ thống đối tác vận chuyển uy tín đảm bảo hàng công nghiệp (máy tiện, ray trượt) nguyên vẹn, kèm kiểm tra hàng trước khi nhận và bảo hiểm 100% giá trị đơn hàng.
3. Chi phí vận chuyển
Chúng tôi nhận hỗ trợ tìm công ty vận chuyển tất cả sản phẩm linh kiện tự động hóa và cơ khí chính xác khi khách hàng mua tại Kỷ Nguyên Máy với phương thức tính phí phụ thuộc vào cước phí hiện hành hoặc theo thỏa thuận giữa hai bên và phụ thuộc vào các yếu tố sau:
*Lưu ý: Kỷ Nguyên Máy không bao gồm dịch vụ vận chuyển. Vui lòng liên hệ trực tiếp với nhân viên tư vấn để được hỗ trợ về phương thức và chi phí giao nhận.
4. Đóng gói, bảo quản trước khi giao hàng
Hàng hóa sẽ được đóng gói tùy thuộc vào các trường hợp sau:
5. Trách nhiệm của các bên khi giao nhận
* Trách nhiệm của Kỷ Nguyên Máy
Trong trường hợp giao nhận qua bên thứ ba (công ty vận chuyển do khách hàng hoặc Kỷ Nguyên Máy hỗ trợ liên hệ), trách nhiệm về chứng từ, hóa đơn cũng như kiểm tra tình trạng hàng hóa thuộc về khách hàng ngay khi nhận hàng từ đơn vị vận chuyển. Mọi rủi ro về hư hỏng, bể vỡ hoặc mất mát phát sinh trong quá trình vận chuyển qua bên thứ ba sẽ không thuộc trách nhiệm bồi hoàn của Kỷ Nguyên Máy.
* Trách nhiệm của khách hàng
Thông tin liên hệ
Mọi thông tin liên hệ, đóng góp ý kiến liên quan xin vui lòng liên hệ theo địa chỉ sau:
Công Ty Cổ Phần Dịch Vụ Thương Mại Tổng Hợp Đức Thiện