-
- Tổng tiền thanh toán:
THÔNG TIN SẢN PHẨM:
1. Tên sản phẩm: Kẹp đứng CH-13009, CH-14009
2. Model: CH-13009, CH-14009
3. Thông số:
4. Cam kết: Hàng tận xưởng, hỗ trợ tư vấn nhanh chóng, giao hàng toàn quốc
5. Khả năng cung cấp hiện thời: 1000 sản phẩm
Nhập khẩu trực tiếp
Giao nhanh toàn quốc
Theo đúng chính sách
Kẹp đứng CH-13009, CH-14009 là hai mẫu cam kẹp định vị đứng được thiết kế gọn nhẹ, phù hợp cho các ứng dụng kẹp phôi có tải trọng nhỏ và yêu cầu thao tác chính xác. Điểm khác biệt giữa hai model nằm ở kiểu chân đế: CH-13009 sử dụng đế bích giúp lắp đặt chắc chắn, trong khi CH-14009 có đế thẳng linh hoạt cho nhiều kết cấu đồ gá. Với lực kẹp 30 kg, thanh kẹp mở góc 80° và tay cầm mở 88°, giúp thao tác nhanh, kiểm soát tốt và tiết kiệm không gian, đáp ứng tốt nhu cầu cố định chi tiết nhẹ. Để tìm hiểu chi tiết hơn về cam kẹp định vị này thì hãy kéo xuống dưới nhé.

Ảnh kẹp đứng CH-13009, CH-14009
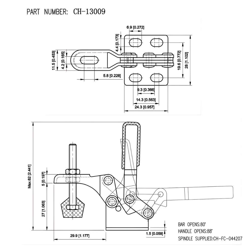
Để giúp khách hàng dễ dàng lựa chọn sản phẩm phù hợp với nhu cầu gia công, dưới đây là bảng thông số kỹ thuật chi tiết của cam kẹp đứng CH-13009 và CH-14009. Những thông số này sẽ hỗ trợ quý khách đánh giá chính xác về khả năng làm việc và kích thước của từng model.

Ảnh thông số kỹ thuật cam kẹp đứng CH-13009

Ảnh thông số kỹ thuật cam kẹp đứng CH-14009
Cam kẹp đứng CH-13009 và CH-14009 là lựa chọn phù hợp cho các ứng dụng cần kẹp chi tiết nhẹ với độ chính xác cao và thao tác ổn định. Việc lựa chọn đúng loại kẹp và kiểu chân đế sẽ giúp tối ưu thiết kế đồ gá, nâng cao hiệu quả làm việc và hạn chế sai sót trong quá trình vận hành. Hãy liên hệ qua hotline 077. 209. 8686 để nhân viên Kỷ Nguyên Máy có thể tư vấn, hỗ trợ nhé!
Với mục đích đem đến cho khách hàng trải nghiệm mua sắm tốt nhất, chúng tôi đưa ra các phương thức thanh toán sau để quý khách dễ dàng lựa chọn tùy theo nhu cầu của mình. Các phương thức thanh toán bao gồm:
1. Thanh toán trực tiếp bằng tiền mặt
Phương thức thanh toán này được áp dụng trong 2 trường hợp sau:
| 1. Mua hàng trực tiếp tại cửa hàng | Thanh toán trực tiếp với nhân viên tại văn phòng hoặc tại kho của công ty. |
| 2. Giao hàng và thu tiền tại địa điểm giao nhận (COD) | Thanh toán cho bên vận chuyển toàn bộ giá trị đơn hàng hoặc phần còn lại (nếu đã đặt cọc). |
2. Chuyển khoản qua Ngân hàng
Phương thức này được áp dụng trong trường hợp khách hàng ở xa hoặc có nhu cầu sử dụng phương thức này. Quý khách có thể chuyển tiền vào tài khoản Ngân hàng của chúng tôi qua thông tin sau:
|
Thông tin chuyển khoản
|
![]() |
Lưu ý:
Thông tin liên hệ
Mọi thông tin liên hệ, đóng góp ý kiến liên quan xin vui lòng liên hệ theo địa chỉ sau:
Công Ty Cổ Phần Dịch Vụ Thương Mại Tổng Hợp Đức Thiện
1. Đối tượng áp dụng
Tất cả khách hàng mua các sản phẩm sàn tại Kỷ Nguyên Máy
2. Phạm vi giao hàng
Công ty chúng tôi cam kết giao hàng toàn quốc, bao phủ tất cả 63 tỉnh thành trên lãnh thổ Việt Nam một cách nhanh chóng và đáng tin cậy.
Hệ thống đối tác vận chuyển uy tín đảm bảo hàng công nghiệp (máy tiện, ray trượt) nguyên vẹn, kèm kiểm tra hàng trước khi nhận và bảo hiểm 100% giá trị đơn hàng.
3. Chi phí vận chuyển
Chúng tôi nhận hỗ trợ tìm công ty vận chuyển tất cả sản phẩm linh kiện tự động hóa và cơ khí chính xác khi khách hàng mua tại Kỷ Nguyên Máy với phương thức tính phí phụ thuộc vào cước phí hiện hành hoặc theo thỏa thuận giữa hai bên và phụ thuộc vào các yếu tố sau:
*Lưu ý: Kỷ Nguyên Máy không bao gồm dịch vụ vận chuyển. Vui lòng liên hệ trực tiếp với nhân viên tư vấn để được hỗ trợ về phương thức và chi phí giao nhận.
4. Đóng gói, bảo quản trước khi giao hàng
Hàng hóa sẽ được đóng gói tùy thuộc vào các trường hợp sau:
5. Trách nhiệm của các bên khi giao nhận
* Trách nhiệm của Kỷ Nguyên Máy
Trong trường hợp giao nhận qua bên thứ ba (công ty vận chuyển do khách hàng hoặc Kỷ Nguyên Máy hỗ trợ liên hệ), trách nhiệm về chứng từ, hóa đơn cũng như kiểm tra tình trạng hàng hóa thuộc về khách hàng ngay khi nhận hàng từ đơn vị vận chuyển. Mọi rủi ro về hư hỏng, bể vỡ hoặc mất mát phát sinh trong quá trình vận chuyển qua bên thứ ba sẽ không thuộc trách nhiệm bồi hoàn của Kỷ Nguyên Máy.
* Trách nhiệm của khách hàng
Thông tin liên hệ
Mọi thông tin liên hệ, đóng góp ý kiến liên quan xin vui lòng liên hệ theo địa chỉ sau:
Công Ty Cổ Phần Dịch Vụ Thương Mại Tổng Hợp Đức Thiện