-
- Tổng tiền thanh toán:
THÔNG TIN SẢN PHẨM:
1. Tên sản phẩm: Kẹp ngang CH-20235, CH-20236
2. Model: CH-30510M, CH-30511M
3. Thông số kỹ thuật:
4. Cam kết: Hàng tận xưởng, hỗ trợ tư vấn nhanh chóng, giao hàng toàn quốc
5. Khả năng cung cấp hiện thời: 1000 sản phẩm
Nhập khẩu trực tiếp
Giao nhanh toàn quốc
Theo đúng chính sách
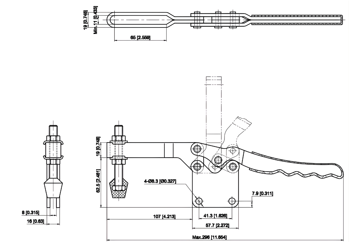
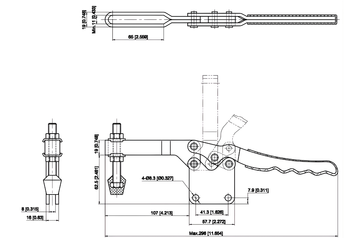
Kẹp ngang CH-20235, CH-20236 là dòng kẹp định vị tải trọng cao với lực kẹp 340kg, giúp cố định chi tiết chắc chắn và ổn định trong quá trình gia công, lắp ráp. Góc mở cần gạt 85° kết hợp góc mở tay cầm 50° mang lại thao tác đóng mở chính xác, phù hợp cho không gian làm việc yêu cầu độ gọn. Với chiều dài tổng thể 296mm, sản phẩm đáp ứng tốt các ứng dụng công nghiệp cần độ bền và độ tin cậy cao. Kéo xuống để tham khảo chi tiết thú vị linh kiện!

Bảng thông số kỹ thuật kẹp định vị CH-20235, CH-20236 đóng vai trò quan trọng trong việc xác định mức độ phù hợp của sản phẩm với từng ứng dụng cụ thể. Việc nắm rõ các đặc tính này sẽ góp phần nâng cao hiệu suất làm việc và hạn chế sai sót khi vận hành.

Ảnh thông số kỹ thuật kẹp định vị ngang CH-20235

Ảnh thông số kỹ thuật kẹp định vị ngang CH-20236
Kẹp ngang CH-20235, CH-20236 được thiết kế tối ưu cho thao tác nhanh, giúp tiết kiệm thời gian gá kẹp và nâng cao hiệu suất làm việc. Độ bền cao giúp sản phẩm hoạt động hiệu quả trong thời gian dài, phù hợp với các dây chuyền sản xuất liên tục. Để lựa chọn sản phẩm phù hợp, hãy liên hệ Kỷ Nguyên Máy qua hotline: 077.209.8686.
Với mục đích đem đến cho khách hàng trải nghiệm mua sắm tốt nhất, chúng tôi đưa ra các phương thức thanh toán sau để quý khách dễ dàng lựa chọn tùy theo nhu cầu của mình. Các phương thức thanh toán bao gồm:
1. Thanh toán trực tiếp bằng tiền mặt
Phương thức thanh toán này được áp dụng trong 2 trường hợp sau:
| 1. Mua hàng trực tiếp tại cửa hàng | Thanh toán trực tiếp với nhân viên tại văn phòng hoặc tại kho của công ty. |
| 2. Giao hàng và thu tiền tại địa điểm giao nhận (COD) | Thanh toán cho bên vận chuyển toàn bộ giá trị đơn hàng hoặc phần còn lại (nếu đã đặt cọc). |
2. Chuyển khoản qua Ngân hàng
Phương thức này được áp dụng trong trường hợp khách hàng ở xa hoặc có nhu cầu sử dụng phương thức này. Quý khách có thể chuyển tiền vào tài khoản Ngân hàng của chúng tôi qua thông tin sau:
|
Thông tin chuyển khoản
|
![]() |
Lưu ý:
Thông tin liên hệ
Mọi thông tin liên hệ, đóng góp ý kiến liên quan xin vui lòng liên hệ theo địa chỉ sau:
Công Ty Cổ Phần Dịch Vụ Thương Mại Tổng Hợp Đức Thiện
1. Đối tượng áp dụng
Tất cả khách hàng mua các sản phẩm sàn tại Kỷ Nguyên Máy
2. Phạm vi giao hàng
Công ty chúng tôi cam kết giao hàng toàn quốc, bao phủ tất cả 63 tỉnh thành trên lãnh thổ Việt Nam một cách nhanh chóng và đáng tin cậy.
Hệ thống đối tác vận chuyển uy tín đảm bảo hàng công nghiệp (máy tiện, ray trượt) nguyên vẹn, kèm kiểm tra hàng trước khi nhận và bảo hiểm 100% giá trị đơn hàng.
3. Chi phí vận chuyển
Chúng tôi nhận hỗ trợ tìm công ty vận chuyển tất cả sản phẩm linh kiện tự động hóa và cơ khí chính xác khi khách hàng mua tại Kỷ Nguyên Máy với phương thức tính phí phụ thuộc vào cước phí hiện hành hoặc theo thỏa thuận giữa hai bên và phụ thuộc vào các yếu tố sau:
*Lưu ý: Kỷ Nguyên Máy không bao gồm dịch vụ vận chuyển. Vui lòng liên hệ trực tiếp với nhân viên tư vấn để được hỗ trợ về phương thức và chi phí giao nhận.
4. Đóng gói, bảo quản trước khi giao hàng
Hàng hóa sẽ được đóng gói tùy thuộc vào các trường hợp sau:
5. Trách nhiệm của các bên khi giao nhận
* Trách nhiệm của Kỷ Nguyên Máy
Trong trường hợp giao nhận qua bên thứ ba (công ty vận chuyển do khách hàng hoặc Kỷ Nguyên Máy hỗ trợ liên hệ), trách nhiệm về chứng từ, hóa đơn cũng như kiểm tra tình trạng hàng hóa thuộc về khách hàng ngay khi nhận hàng từ đơn vị vận chuyển. Mọi rủi ro về hư hỏng, bể vỡ hoặc mất mát phát sinh trong quá trình vận chuyển qua bên thứ ba sẽ không thuộc trách nhiệm bồi hoàn của Kỷ Nguyên Máy.
* Trách nhiệm của khách hàng
Thông tin liên hệ
Mọi thông tin liên hệ, đóng góp ý kiến liên quan xin vui lòng liên hệ theo địa chỉ sau:
Công Ty Cổ Phần Dịch Vụ Thương Mại Tổng Hợp Đức Thiện