-
- Tổng tiền thanh toán:
THÔNG TIN SẢN PHẨM:
1. Tên sản phẩm: Van chống lún Modular YUCI YUKEN MP-04 series
2. Đặc tính:
3. Cam kết: Hàng mới 100%, hỗ trợ tư vấn và báo giá 24/7, nhiều chương trình ưu đãi hấp dẫn.
4. Khả năng cung cấp hiện thời: 1000 sản phẩm
Nhập khẩu trực tiếp
Giao nhanh toàn quốc
Theo đúng chính sách
Van chống lún Modular YUCI YUKEN MP-04 series là dòng van thủy lực chuyên dụng giúp ngăn hiện tượng tụt áp hoặc lún tải trong các xi lanh thủy lực. Van hỗ trợ lưu lượng tối đa đến 300L/ phút và làm việc ổn định với nhiều loại lưu chất như dầu, nhớt và chất lỏng thủy lực. Với áp suất vận hành tối đa đạt 350kg/cm², MP-04 đảm bảo giữ tải an toàn, duy trì áp lực ổn định và nâng cao độ tin cậy cho hệ thống trong các ứng dụng công nghiệp yêu cầu độ chính xác cao. Kéo xuống để tham khảo chi tiết thú vị linh kiện!

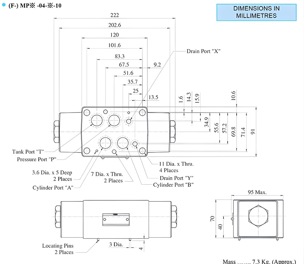
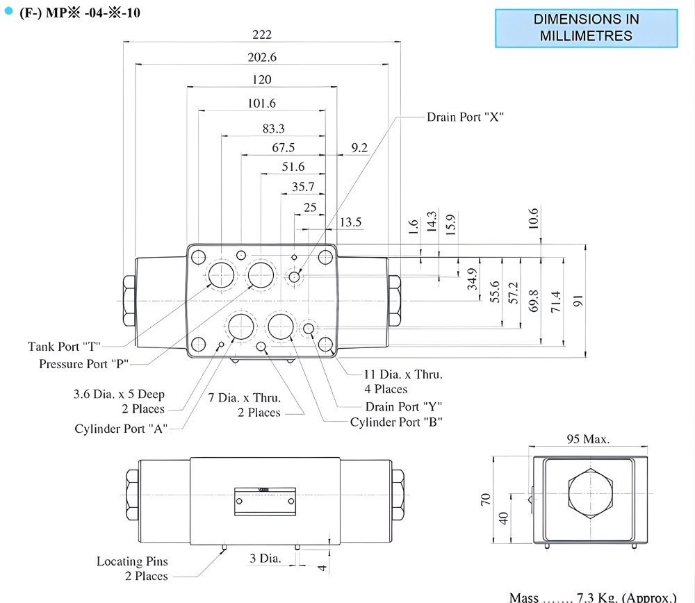
Ảnh van chống lún Modular YUCI YUKEN MP-04 series
Trước khi lắp đặt van chống lún Modular YUCI YUKEN MP-04 series, người dùng nên tham khảo kỹ thông số về lưu lượng, áp suất và kiểu điều khiển. Những thông tin quan trọng này được tổng hợp rõ ràng trong bảng thông số kỹ thuật ngay bên dưới.

Ảnh thông số kỹ thuật van chống lún Modular YUCI YUKEN MP-04 series
Nếu bạn đang tìm một giải pháp điều khiển hướng dầu mạnh mẽ, tin cậy và có thể hoạt động lâu dài trong môi trường công nghiệp khắc nghiệt, van chống lún Modular YUCI YUKEN MP-04 series chính là lựa chọn không thể bỏ qua. Sản phẩm không chỉ mang lại hiệu quả vận hành mà còn giúp tối ưu chi phí bảo trì. Để được tư vấn nhanh chóng, vui lòng liên hệ Kỷ Nguyên Máy - hotline: 077.209.8686.
Với mục đích đem đến cho khách hàng trải nghiệm mua sắm tốt nhất, chúng tôi đưa ra các phương thức thanh toán sau để quý khách dễ dàng lựa chọn tùy theo nhu cầu của mình. Các phương thức thanh toán bao gồm:
1. Thanh toán trực tiếp bằng tiền mặt
Phương thức thanh toán này được áp dụng trong 2 trường hợp sau:
| 1. Mua hàng trực tiếp tại cửa hàng | Thanh toán trực tiếp với nhân viên tại văn phòng hoặc tại kho của công ty. |
| 2. Giao hàng và thu tiền tại địa điểm giao nhận (COD) | Thanh toán cho bên vận chuyển toàn bộ giá trị đơn hàng hoặc phần còn lại (nếu đã đặt cọc). |
2. Chuyển khoản qua Ngân hàng
Phương thức này được áp dụng trong trường hợp khách hàng ở xa hoặc có nhu cầu sử dụng phương thức này. Quý khách có thể chuyển tiền vào tài khoản Ngân hàng của chúng tôi qua thông tin sau:
|
Thông tin chuyển khoản
|
![]() |
Lưu ý:
Thông tin liên hệ
Mọi thông tin liên hệ, đóng góp ý kiến liên quan xin vui lòng liên hệ theo địa chỉ sau:
Công Ty Cổ Phần Dịch Vụ Thương Mại Tổng Hợp Đức Thiện
1. Đối tượng áp dụng
Tất cả khách hàng mua các sản phẩm sàn tại Kỷ Nguyên Máy
2. Phạm vi giao hàng
Công ty chúng tôi cam kết giao hàng toàn quốc, bao phủ tất cả 63 tỉnh thành trên lãnh thổ Việt Nam một cách nhanh chóng và đáng tin cậy.
Hệ thống đối tác vận chuyển uy tín đảm bảo hàng công nghiệp (máy tiện, ray trượt) nguyên vẹn, kèm kiểm tra hàng trước khi nhận và bảo hiểm 100% giá trị đơn hàng.
3. Chi phí vận chuyển
Chúng tôi nhận hỗ trợ tìm công ty vận chuyển tất cả sản phẩm linh kiện tự động hóa và cơ khí chính xác khi khách hàng mua tại Kỷ Nguyên Máy với phương thức tính phí phụ thuộc vào cước phí hiện hành hoặc theo thỏa thuận giữa hai bên và phụ thuộc vào các yếu tố sau:
*Lưu ý: Kỷ Nguyên Máy không bao gồm dịch vụ vận chuyển. Vui lòng liên hệ trực tiếp với nhân viên tư vấn để được hỗ trợ về phương thức và chi phí giao nhận.
4. Đóng gói, bảo quản trước khi giao hàng
Hàng hóa sẽ được đóng gói tùy thuộc vào các trường hợp sau:
5. Trách nhiệm của các bên khi giao nhận
* Trách nhiệm của Kỷ Nguyên Máy
Trong trường hợp giao nhận qua bên thứ ba (công ty vận chuyển do khách hàng hoặc Kỷ Nguyên Máy hỗ trợ liên hệ), trách nhiệm về chứng từ, hóa đơn cũng như kiểm tra tình trạng hàng hóa thuộc về khách hàng ngay khi nhận hàng từ đơn vị vận chuyển. Mọi rủi ro về hư hỏng, bể vỡ hoặc mất mát phát sinh trong quá trình vận chuyển qua bên thứ ba sẽ không thuộc trách nhiệm bồi hoàn của Kỷ Nguyên Máy.
* Trách nhiệm của khách hàng
Thông tin liên hệ
Mọi thông tin liên hệ, đóng góp ý kiến liên quan xin vui lòng liên hệ theo địa chỉ sau:
Công Ty Cổ Phần Dịch Vụ Thương Mại Tổng Hợp Đức Thiện