-
- Tổng tiền thanh toán:
THÔNG TIN SẢN PHẨM:
1. Tên sản phẩm: Van điện từ SMC VQZ
2. Model: VQZ332, VQZ312, VQZ3121
3. Cam kết: Hàng tận xưởng, hỗ trợ tư vấn nhanh chóng, giao hàng toàn quốc
4. Khả năng cung cấp hiện thời: 1000 sản phẩm
Nhập khẩu trực tiếp
Giao nhanh toàn quốc
Theo đúng chính sách
Van điện từ SMC VQZ332, VQZ312, VQZ3121 là dòng van khí nén nhỏ gọn, vận hành ổn định trong dải áp suất từ 0.1-0.15MPa đến tối đa 0.7MPa, đáp ứng tốt nhiều ứng dụng tự động hóa. Sản phẩm có khả năng chống rung/sốc lên đến 150/30 m/s², đảm bảo độ bền trong môi trường làm việc có rung động. Van cho phép dao động điện áp ±10% so với định mức, giúp hệ thống hoạt động tin cậy và ổn định lâu dài. Cùng Kỷ Nguyên Máy khám phá chi tiết linh kiện ở dưới!

Ảnh van điện từ SMC VQZ
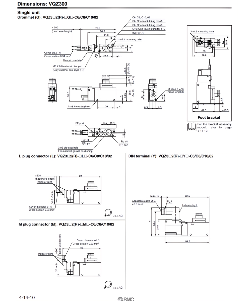
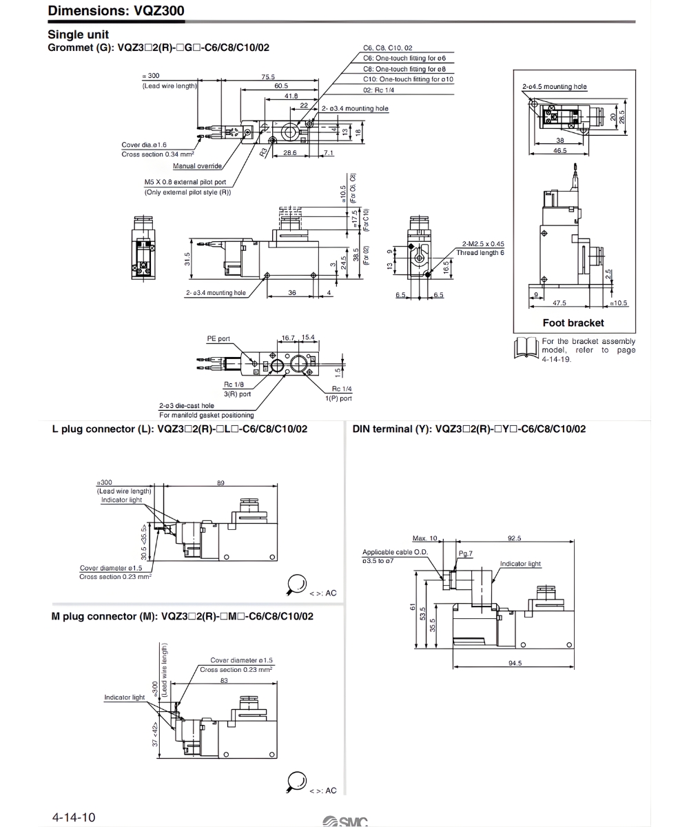
Việc nắm rõ thông số kỹ thuật của van điện từ SMC VQZ332, VQZ312, VQZ3121 là yếu tố then chốt nhằm đảm bảo khả năng đóng mở nhanh, chính xác và bền bỉ trong môi trường công nghiệp. Các thông tin về kích thước dưới đây sẽ hỗ trợ kỹ thuật viên dễ dàng lắp đặt và tích hợp vào hệ thống.

Ảnh thông số kỹ thuật van điện từ SMC VQZ332, VQZ312, VQZ3121
Nhờ khả năng phản hồi tín hiệu nhanh và hoạt động ổn định trong nhiều môi trường công nghiệp, van điện từ SMC VQZ332, VQZ312, VQZ3121 góp phần nâng cao độ chính xác và tính an toàn cho toàn bộ hệ thống khí nén. Thiết kế tối ưu giúp lắp đặt dễ dàng, bảo trì thuận tiện và tiết kiệm chi phí vận hành lâu dài. Mọi nhu cầu hỗ trợ, vui lòng liên hệ Kỷ Nguyên Máy qua hotline: 077.209.8686.
Với mục đích đem đến cho khách hàng trải nghiệm mua sắm tốt nhất, chúng tôi đưa ra các phương thức thanh toán sau để quý khách dễ dàng lựa chọn tùy theo nhu cầu của mình. Các phương thức thanh toán bao gồm:
1. Thanh toán trực tiếp bằng tiền mặt
Phương thức thanh toán này được áp dụng trong 2 trường hợp sau:
| 1. Mua hàng trực tiếp tại cửa hàng | Thanh toán trực tiếp với nhân viên tại văn phòng hoặc tại kho của công ty. |
| 2. Giao hàng và thu tiền tại địa điểm giao nhận (COD) | Thanh toán cho bên vận chuyển toàn bộ giá trị đơn hàng hoặc phần còn lại (nếu đã đặt cọc). |
2. Chuyển khoản qua Ngân hàng
Phương thức này được áp dụng trong trường hợp khách hàng ở xa hoặc có nhu cầu sử dụng phương thức này. Quý khách có thể chuyển tiền vào tài khoản Ngân hàng của chúng tôi qua thông tin sau:
|
Thông tin chuyển khoản
|
![]() |
Lưu ý:
Thông tin liên hệ
Mọi thông tin liên hệ, đóng góp ý kiến liên quan xin vui lòng liên hệ theo địa chỉ sau:
Công Ty Cổ Phần Dịch Vụ Thương Mại Tổng Hợp Đức Thiện
1. Đối tượng áp dụng
Tất cả khách hàng mua các sản phẩm sàn tại Kỷ Nguyên Máy
2. Phạm vi giao hàng
Công ty chúng tôi cam kết giao hàng toàn quốc, bao phủ tất cả 63 tỉnh thành trên lãnh thổ Việt Nam một cách nhanh chóng và đáng tin cậy.
Hệ thống đối tác vận chuyển uy tín đảm bảo hàng công nghiệp (máy tiện, ray trượt) nguyên vẹn, kèm kiểm tra hàng trước khi nhận và bảo hiểm 100% giá trị đơn hàng.
3. Chi phí vận chuyển
Chúng tôi nhận hỗ trợ tìm công ty vận chuyển tất cả sản phẩm linh kiện tự động hóa và cơ khí chính xác khi khách hàng mua tại Kỷ Nguyên Máy với phương thức tính phí phụ thuộc vào cước phí hiện hành hoặc theo thỏa thuận giữa hai bên và phụ thuộc vào các yếu tố sau:
*Lưu ý: Kỷ Nguyên Máy không bao gồm dịch vụ vận chuyển. Vui lòng liên hệ trực tiếp với nhân viên tư vấn để được hỗ trợ về phương thức và chi phí giao nhận.
4. Đóng gói, bảo quản trước khi giao hàng
Hàng hóa sẽ được đóng gói tùy thuộc vào các trường hợp sau:
5. Trách nhiệm của các bên khi giao nhận
* Trách nhiệm của Kỷ Nguyên Máy
Trong trường hợp giao nhận qua bên thứ ba (công ty vận chuyển do khách hàng hoặc Kỷ Nguyên Máy hỗ trợ liên hệ), trách nhiệm về chứng từ, hóa đơn cũng như kiểm tra tình trạng hàng hóa thuộc về khách hàng ngay khi nhận hàng từ đơn vị vận chuyển. Mọi rủi ro về hư hỏng, bể vỡ hoặc mất mát phát sinh trong quá trình vận chuyển qua bên thứ ba sẽ không thuộc trách nhiệm bồi hoàn của Kỷ Nguyên Máy.
* Trách nhiệm của khách hàng
Thông tin liên hệ
Mọi thông tin liên hệ, đóng góp ý kiến liên quan xin vui lòng liên hệ theo địa chỉ sau:
Công Ty Cổ Phần Dịch Vụ Thương Mại Tổng Hợp Đức Thiện