-
- Tổng tiền thanh toán:
THÔNG TIN SẢN PHẨM:
1. Mã sản phẩm: Xi lanh khí nén TDA
2. Model: TDA10, TDA16, TDA20, TDA25, TDA32
3. Xuất xứ: Trung Quốc
4. Khả năng cung cấp hiện thời: 1000 sản phẩm
Nhập khẩu trực tiếp
Giao nhanh toàn quốc
Theo đúng chính sách
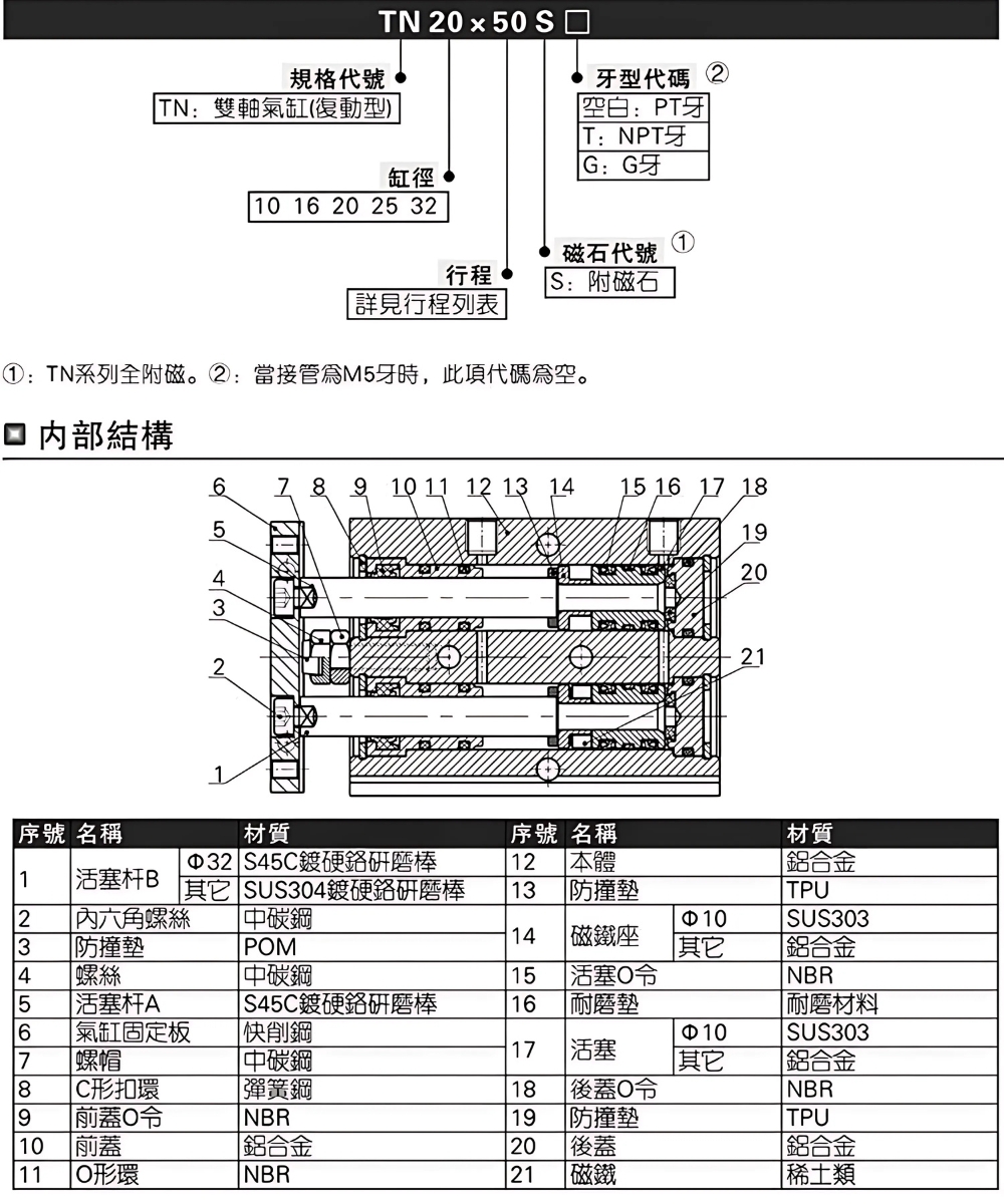
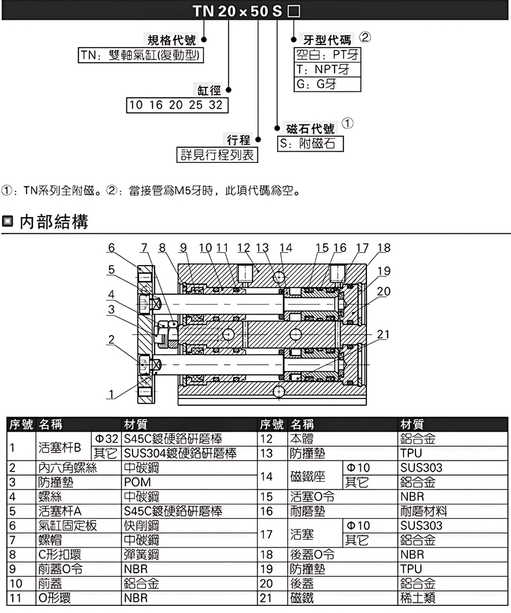
Xi lanh khí nén TDA (còn được gọi là xy lanh khí nén TN) là dòng xi lanh tác động kép có 2 thanh ty đẩy được thiết kế với khả năng làm việc ổn định trong dải áp suất 0.1–1.0 MPa, chịu được áp suất tối đa 1.5 MPa. Sản phẩm hoạt động hiệu quả trong môi trường nhiệt độ -20°C ~ 70°C, tốc độ 30–500 mm/s và được trang bị cơ chế giảm chấn, giúp giảm rung lắc, tăng tuổi thọ và đảm bảo vận hành êm ái trong nhiều ứng dụng công nghiệp. Kéo xuống để tham khảo chi tiết linh kiện!

Ảnh xi lanh khí nén TDA
Để đảm bảo hiệu suất làm việc tối ưu và độ bền lâu dài của xi lanh khí nén TDA, việc lựa chọn dựa trên các thông số kỹ thuật chi tiết là rất cần thiết. Bảng dưới đây tổng hợp đầy đủ các dữ liệu liên quan đến kích thước, áp suất, nhiệt độ vận hành cũng như các đặc tính nổi bật khác để người dùng dễ dàng so sánh và đưa ra quyết định hợp lý.



Ảnh thông số kỹ thuật xi lanh khí nén TDA
Xi lanh khí nén TDA là giải pháp truyền động khí nén hiệu quả và bền bỉ cho nhiều ứng dụng công nghiệp hiện nay. Để được tư vấn chi tiết về sản phẩm và lựa chọn đúng loại xi lanh phù hợp, khách hàng vui lòng liên hệ Kỷ Nguyên Máy - đơn vị phân phối uy tín với hotline: 077.209.8686.
Với mục đích đem đến cho khách hàng trải nghiệm mua sắm tốt nhất, chúng tôi đưa ra các phương thức thanh toán sau để quý khách dễ dàng lựa chọn tùy theo nhu cầu của mình. Các phương thức thanh toán bao gồm:
1. Thanh toán trực tiếp bằng tiền mặt
Phương thức thanh toán này được áp dụng trong 2 trường hợp sau:
| 1. Mua hàng trực tiếp tại cửa hàng | Thanh toán trực tiếp với nhân viên tại văn phòng hoặc tại kho của công ty. |
| 2. Giao hàng và thu tiền tại địa điểm giao nhận (COD) | Thanh toán cho bên vận chuyển toàn bộ giá trị đơn hàng hoặc phần còn lại (nếu đã đặt cọc). |
2. Chuyển khoản qua Ngân hàng
Phương thức này được áp dụng trong trường hợp khách hàng ở xa hoặc có nhu cầu sử dụng phương thức này. Quý khách có thể chuyển tiền vào tài khoản Ngân hàng của chúng tôi qua thông tin sau:
|
Thông tin chuyển khoản
|
![]() |
Lưu ý:
Thông tin liên hệ
Mọi thông tin liên hệ, đóng góp ý kiến liên quan xin vui lòng liên hệ theo địa chỉ sau:
Công Ty Cổ Phần Dịch Vụ Thương Mại Tổng Hợp Đức Thiện
1. Đối tượng áp dụng
Tất cả khách hàng mua các sản phẩm sàn tại Kỷ Nguyên Máy
2. Phạm vi giao hàng
Công ty chúng tôi cam kết giao hàng toàn quốc, bao phủ tất cả 63 tỉnh thành trên lãnh thổ Việt Nam một cách nhanh chóng và đáng tin cậy.
Hệ thống đối tác vận chuyển uy tín đảm bảo hàng công nghiệp (máy tiện, ray trượt) nguyên vẹn, kèm kiểm tra hàng trước khi nhận và bảo hiểm 100% giá trị đơn hàng.
3. Chi phí vận chuyển
Chúng tôi nhận hỗ trợ tìm công ty vận chuyển tất cả sản phẩm linh kiện tự động hóa và cơ khí chính xác khi khách hàng mua tại Kỷ Nguyên Máy với phương thức tính phí phụ thuộc vào cước phí hiện hành hoặc theo thỏa thuận giữa hai bên và phụ thuộc vào các yếu tố sau:
*Lưu ý: Kỷ Nguyên Máy không bao gồm dịch vụ vận chuyển. Vui lòng liên hệ trực tiếp với nhân viên tư vấn để được hỗ trợ về phương thức và chi phí giao nhận.
4. Đóng gói, bảo quản trước khi giao hàng
Hàng hóa sẽ được đóng gói tùy thuộc vào các trường hợp sau:
5. Trách nhiệm của các bên khi giao nhận
* Trách nhiệm của Kỷ Nguyên Máy
Trong trường hợp giao nhận qua bên thứ ba (công ty vận chuyển do khách hàng hoặc Kỷ Nguyên Máy hỗ trợ liên hệ), trách nhiệm về chứng từ, hóa đơn cũng như kiểm tra tình trạng hàng hóa thuộc về khách hàng ngay khi nhận hàng từ đơn vị vận chuyển. Mọi rủi ro về hư hỏng, bể vỡ hoặc mất mát phát sinh trong quá trình vận chuyển qua bên thứ ba sẽ không thuộc trách nhiệm bồi hoàn của Kỷ Nguyên Máy.
* Trách nhiệm của khách hàng
Thông tin liên hệ
Mọi thông tin liên hệ, đóng góp ý kiến liên quan xin vui lòng liên hệ theo địa chỉ sau:
Công Ty Cổ Phần Dịch Vụ Thương Mại Tổng Hợp Đức Thiện