-
- Tổng tiền thanh toán:
THÔNG TIN SẢN PHẨM
1. Mã sản phẩm: THK HSR M1A/M1LA
2. Model: HSR 15M1A, HSR 20M1A, HSR 25M1A, HSR 30M1A, HSR 35M1A, HSR 20M1LA, HSR 25M1LA, HSR 30M1LA, HSR 35M1LA.
3. Cam kết: Hàng tận xưởng, bảo hành dài lâu, hỗ trợ miễn phí, giao nhanh toàn quốc
4. Khả năng cung cấp hiện thời: 100 sản phẩm
Nhập khẩu trực tiếp
Giao nhanh toàn quốc
Theo đúng chính sách
Một trong những ưu điểm nổi bật của con trượt THK HSR M1A/M1LA là khả năng hoạt động êm ái, mượt mà và độ bền cao. Nhờ việc sử dụng các vật liệu cao cấp và công nghệ sản xuất tiên tiến, sản phẩm này có tuổi thọ lâu dài, giảm thiểu tối đa thời gian bảo trì và sửa chữa. Bên cạnh đó, thiết kế nhỏ gọn và trọng lượng nhẹ giúp dễ dàng lắp đặt và tích hợp vào các hệ thống máy móc khác nhau. Để có cái nhìn sâu hơn, xin mời quý khách tham khảo thêm thông tin ở dưới.
Con trượt THK HSR M1A/M1LA là một trong những sản phẩm nổi bật thuộc dòng con trượt vuông có lỗ ren của thương hiệu THK. Được thiết kế với cấu tạo đặc biệt, con trượt này có cánh được bắt vít từ trên xuống, tạo nên một kết cấu chắc chắn và linh hoạt. Nhờ đó, HSR M1A/M1LA không chỉ đảm bảo độ chính xác cao trong quá trình vận hành mà còn có khả năng chịu tải trọng lớn, đáp ứng đa dạng nhu cầu sử dụng trong các ứng dụng công nghiệp. Với chất lượng Nhật Bản, sản phẩm này đã và đang được tin dùng rộng rãi trên toàn thế giới.
Ray trượt HSR với bề mặt trơn nhẵn và bi trượt THK này với thiết kế tối ưu tạo nên một sự kết hợp hoàn hảo. Sự kết hợp này giúp giảm ma sát, tăng cường độ cứng vững, từ đó đảm bảo hoạt động ổn định và tuổi thọ cao cho các thiết bị, ngay cả trong điều kiện làm việc khắc nghiệt.

Bảng so sánh này được xây dựng dựa trên thông tin chung về các model con trượt THK HSR. Để có thông tin chi tiết và chính xác nhất, bạn nên tham khảo tài liệu kỹ thuật chính thức của nhà sản xuất THK hoặc liên hệ với đại lý phân phối ủy quyền.
| Loại | Bi bạc trượt THK HSR M1A | Bi bạc trượt THK HSR M1LA |
| Mặt bích | Có cánh | Có cánh |
| Số lỗ ren trên thân | 4 lỗ | 4 lỗ |
| Cách bắt vít | Trên xuống | Dưới lên |
| Model | HSR 15M1A, HSR 20M1A, HSR 25M1A, HSR 30M1A, HSR 35M1A | HSR 20M1LA, HSR 25M1LA, HSR 30M1LA, HSR 35M1LA |
| Đặc điểm nổi bật | Khối có lỗ ren | Cấu tạo tương tự mẫu HSR M1A Chiều dài tổng thể lớn hơn so với HSR-M1A Tải trọng định mức lớn hơn. |

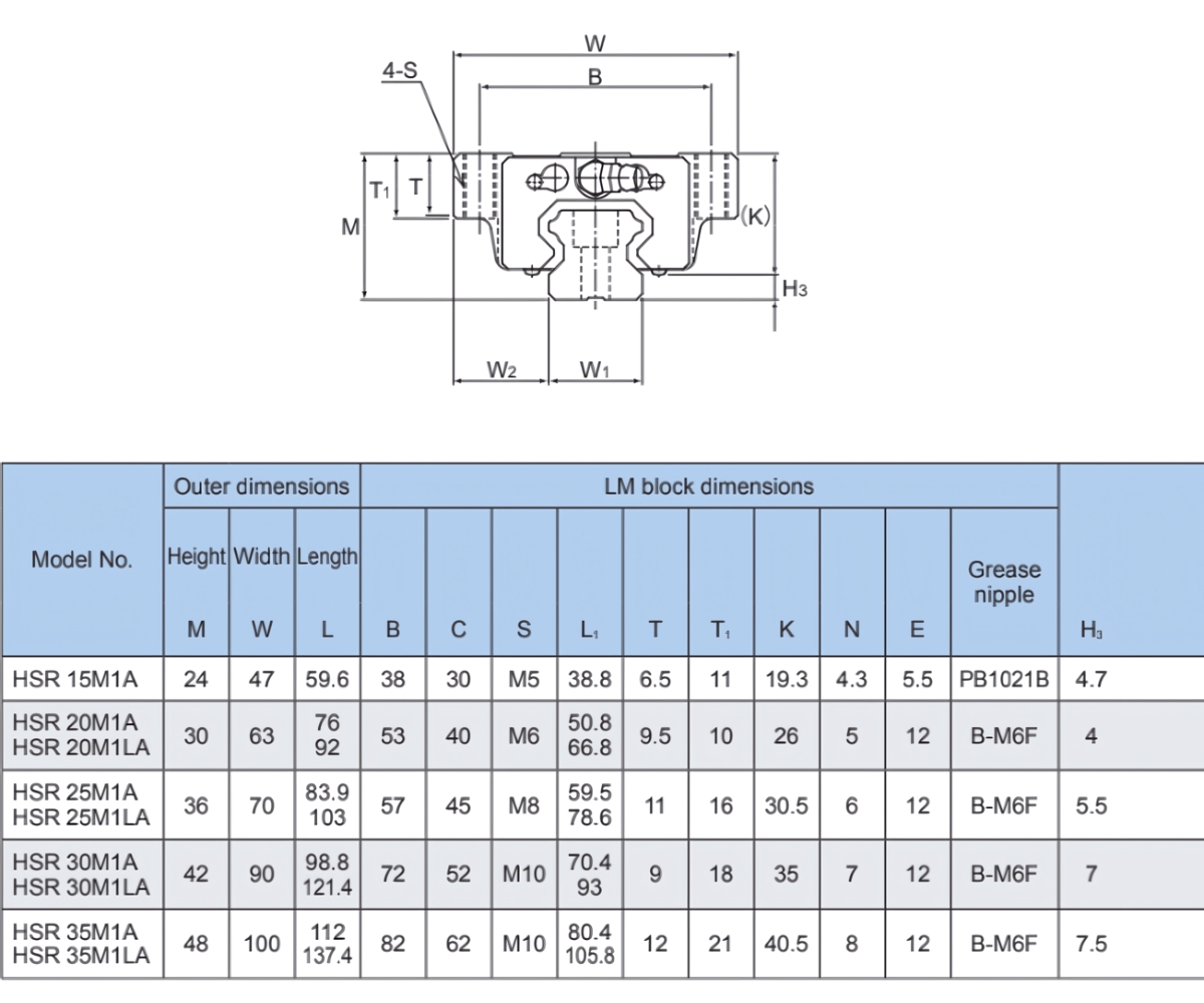
Để đưa ra quyết định lựa chọn ổ trượt một cách chính xác, việc nắm rõ thông số kỹ thuật là vô cùng quan trọng. Bảng thông số kỹ thuật của ổ trượt HSR M1A/M1LA cung cấp đầy đủ thông tin chi tiết về kích thước, tải trọng, tốc độ và độ chính xác, giúp bạn so sánh và lựa chọn sản phẩm phù hợp nhất với yêu cầu của ứng dụng.


Hiểu rõ các ký hiệu trên block trượt HSR M1A/M1LA là chìa khóa để lựa chọn sản phẩm phù hợp và tối ưu hóa hiệu suất làm việc. Bảng ký hiệu không chỉ đơn thuần là một danh sách các chữ cái và số, mà còn là một bản đồ đường đi, giúp bạn khám phá chi tiết về kích thước, vật liệu, khả năng chịu tải và các đặc tính kỹ thuật khác của sản phẩm. Qua đó, bạn có thể tự tin đưa ra quyết định mua hàng chính xác và tránh những sai sót đáng tiếc.

|
Đặc điểm kỹ thuật |
Ký hiệu |
Lưu ý |
|
Model |
HSR35/ HSR M1R-M1LR |
|
|
Ký hiệu nhiệt độ cao khối LM |
M1 |
|
|
Loại khối LM |
R |
|
|
Số khối LM được sử dụng trên cùng một đường ray |
2 |
|
|
Ký hiệu bảo vệ chống ô nhiễm |
UU |
|
|
Ký hiệu tải |
|
|
Tóm lại, con trượt THK HSR M1A/M1LA là một giải pháp tối ưu cho các ứng dụng đòi hỏi độ chính xác cao, khả năng chịu tải lớn và độ bền vượt trội. Với thiết kế nhỏ gọn, linh hoạt và dễ dàng lắp đặt, sản phẩm này đã và đang được ứng dụng rộng rãi trong nhiều ngành công nghiệp. Để lựa chọn được sản phẩm phù hợp nhất với nhu cầu của mình, quý khách hàng có thể liên hệ với chúng tôi qua hotline: 077.209.8686 để được tư vấn chi tiết. Đội ngũ kỹ thuật của Kỷ Nguyên Máy luôn sẵn sàng hỗ trợ quý khách trong việc lựa chọn và sử dụng các loại thanh trượt bi nói chung và HSR M1A/M1LA nói riêng.
Với mục đích đem đến cho khách hàng trải nghiệm mua sắm tốt nhất, chúng tôi đưa ra các phương thức thanh toán sau để quý khách dễ dàng lựa chọn tùy theo nhu cầu của mình. Các phương thức thanh toán bao gồm:
1. Thanh toán trực tiếp bằng tiền mặt
Phương thức thanh toán này được áp dụng trong 2 trường hợp sau:
| 1. Mua hàng trực tiếp tại cửa hàng | Thanh toán trực tiếp với nhân viên tại văn phòng hoặc tại kho của công ty. |
| 2. Giao hàng và thu tiền tại địa điểm giao nhận (COD) | Thanh toán cho bên vận chuyển toàn bộ giá trị đơn hàng hoặc phần còn lại (nếu đã đặt cọc). |
2. Chuyển khoản qua Ngân hàng
Phương thức này được áp dụng trong trường hợp khách hàng ở xa hoặc có nhu cầu sử dụng phương thức này. Quý khách có thể chuyển tiền vào tài khoản Ngân hàng của chúng tôi qua thông tin sau:
|
Thông tin chuyển khoản
|
![]() |
Lưu ý:
Thông tin liên hệ
Mọi thông tin liên hệ, đóng góp ý kiến liên quan xin vui lòng liên hệ theo địa chỉ sau:
Công Ty Cổ Phần Dịch Vụ Thương Mại Tổng Hợp Đức Thiện
1. Đối tượng áp dụng
Tất cả khách hàng mua các sản phẩm sàn tại Kỷ Nguyên Máy
2. Phạm vi giao hàng
Công ty chúng tôi cam kết giao hàng toàn quốc, bao phủ tất cả 63 tỉnh thành trên lãnh thổ Việt Nam một cách nhanh chóng và đáng tin cậy.
Hệ thống đối tác vận chuyển uy tín đảm bảo hàng công nghiệp (máy tiện, ray trượt) nguyên vẹn, kèm kiểm tra hàng trước khi nhận và bảo hiểm 100% giá trị đơn hàng.
3. Chi phí vận chuyển
Chúng tôi nhận hỗ trợ tìm công ty vận chuyển tất cả sản phẩm linh kiện tự động hóa và cơ khí chính xác khi khách hàng mua tại Kỷ Nguyên Máy với phương thức tính phí phụ thuộc vào cước phí hiện hành hoặc theo thỏa thuận giữa hai bên và phụ thuộc vào các yếu tố sau:
*Lưu ý: Kỷ Nguyên Máy không bao gồm dịch vụ vận chuyển. Vui lòng liên hệ trực tiếp với nhân viên tư vấn để được hỗ trợ về phương thức và chi phí giao nhận.
4. Đóng gói, bảo quản trước khi giao hàng
Hàng hóa sẽ được đóng gói tùy thuộc vào các trường hợp sau:
5. Trách nhiệm của các bên khi giao nhận
* Trách nhiệm của Kỷ Nguyên Máy
Trong trường hợp giao nhận qua bên thứ ba (công ty vận chuyển do khách hàng hoặc Kỷ Nguyên Máy hỗ trợ liên hệ), trách nhiệm về chứng từ, hóa đơn cũng như kiểm tra tình trạng hàng hóa thuộc về khách hàng ngay khi nhận hàng từ đơn vị vận chuyển. Mọi rủi ro về hư hỏng, bể vỡ hoặc mất mát phát sinh trong quá trình vận chuyển qua bên thứ ba sẽ không thuộc trách nhiệm bồi hoàn của Kỷ Nguyên Máy.
* Trách nhiệm của khách hàng
Thông tin liên hệ
Mọi thông tin liên hệ, đóng góp ý kiến liên quan xin vui lòng liên hệ theo địa chỉ sau:
Công Ty Cổ Phần Dịch Vụ Thương Mại Tổng Hợp Đức Thiện