-
- Tổng tiền thanh toán:
THÔNG TIN SẢN PHẨM:
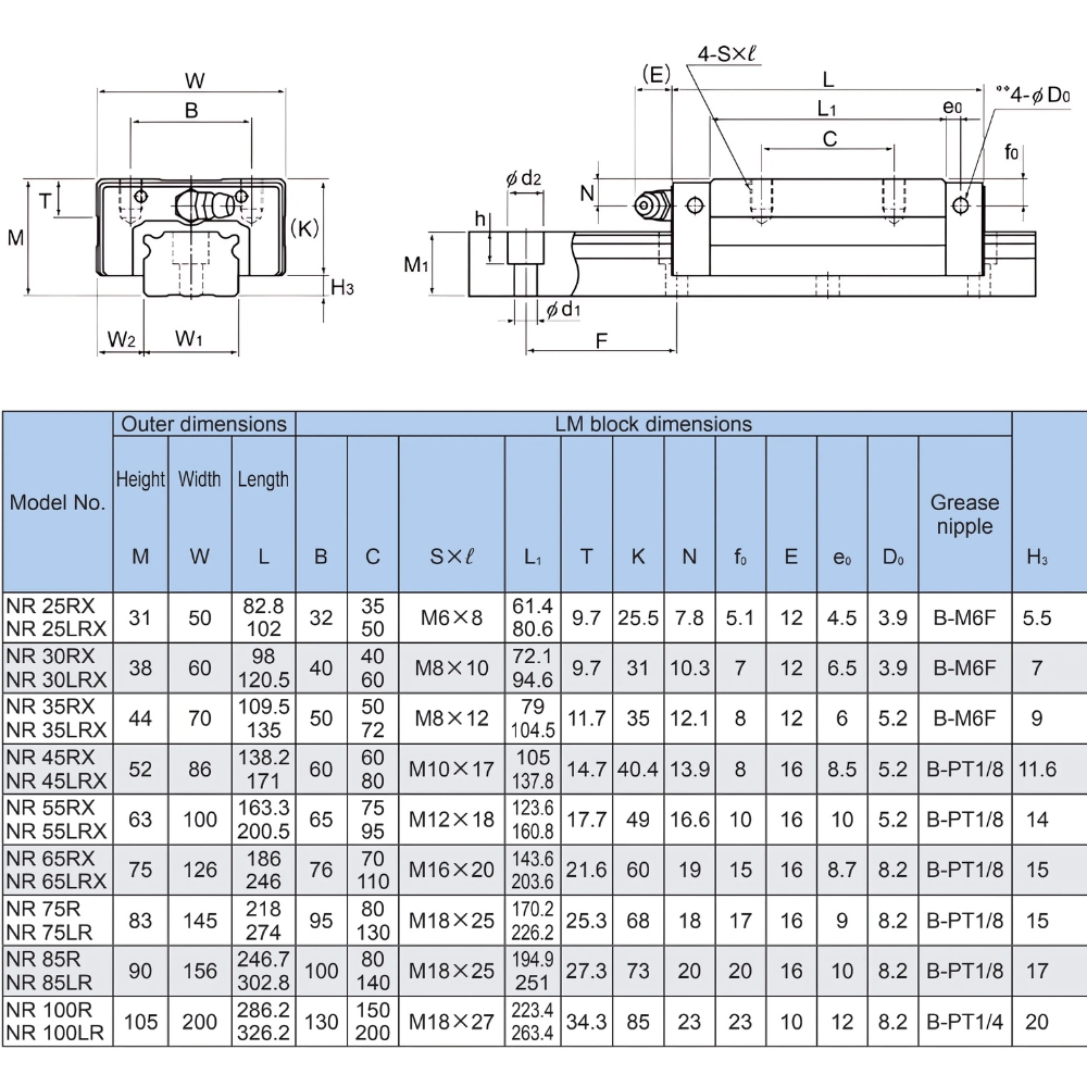
1. Mã sản phẩm: Con trượt THK NR-RX/LRX/R/LR
2. Model: NR25RX, NR30RX, NR35RX, NR45RX, NR55RX, NR65RX, NR75R, NR85R, NR100R, NR25LRX, NR30LRX, NR35LRX, NR45LRX, NR55LRX, NR65LRX, NR75LR, NR85LR, NR100LR.
3. Cam kết: Hàng tận xưởng, bảo hành dài lâu, hỗ trợ miễn phí, giao nhanh toàn quốc.
4. Khả năng cung cấp hiện thời: 100 sản phẩm
Nhập khẩu trực tiếp
Giao nhanh toàn quốc
Theo đúng chính sách
Được thiết kế để chịu được tải trọng lớn, con trượt THK NR-RX/LRX/R/LR là giải pháp hoàn hảo cho các ứng dụng đòi hỏi độ bền cao. Khả năng chịu tải vượt trội của sản phẩm giúp đảm bảo hoạt động liên tục và ổn định trong mọi điều kiện làm việc khắc nghiệt và giảm thiểu rủi ro hư hỏng. Kéo xuống để xem nhiều chi tiết thú vị của linh kiện!
Con trượt THK HSR25A là giải pháp hoàn hảo cho các ứng dụng đòi hỏi độ chính xác cao và độ tin cậy tuyệt đối được sản xuất bởi thương hiệu THK. Với cấu trúc rãnh trượt tối ưu và vật liệu cao cấp, con trượt THK này đảm bảo hoạt động ổn định, mượt mà và bền bỉ trong mọi điều kiện làm việc. Khả năng giảm chấn hiệu quả giúp kéo dài tuổi thọ của thiết bị và nâng cao hiệu suất sản xuất.


Để chọn được block trượt NR-RX/LRX/R/LR phù hợp nhất, bạn cần dành thời gian nghiên cứu kỹ bảng thông số kỹ thuật của sản phẩm. Bảng thông số sẽ cung cấp những thông tin quan trọng như kích thước, vật liệu, khả năng chịu tải,... Từ đó, bạn có thể đưa ra quyết định chính xác và hiệu quả.


Hiểu được ý nghĩa của các ký hiệu trên con trượt dẫn hướng NR-RX/LRX/R/LR sẽ giúp chúng ta lựa chọn con trượt dẫn hướng một cách chính xác và hiệu quả. Giống như việc đọc một bản vẽ kỹ thuật, việc "đọc" các ký hiệu này sẽ giúp chúng ta hình dung rõ ràng về cấu tạo và hoạt động của sản phẩm, từ đó đưa ra quyết định đúng đắn.

|
Đặc điểm kỹ thuật |
Ký hiệu |
Lưu ý |
|
Model |
NR35 |
|
| Loại khối LM |
LRX |
|
|
Số lượng khối LM được sử dụng trên cùng một đường ray |
2 |
|
|
Chất bôi trơn QZ |
QZ |
|
| Ký hiệu bảo vệ chống ô nhiễm |
KKHH |
|
| Ký hiệu tải |
|
|
|
Khối LM thép không gỉ |
M |
Đảm bảo chất lượng và độ tin cậy luôn là ưu tiên hàng đầu của Kỷ Nguyên Máy. Chúng tôi tự hào mang đến cho khách hàng những sản phẩm chuyển động tuyến tính chất lượng cao, tiêu biểu như con trượt THK NR-RX/LRX/R/LR. Với đội ngũ kỹ thuật chuyên nghiệp, chúng tôi cam kết hỗ trợ khách hàng tìm được giải pháp tối ưu nhất cho từng ứng dụng. Liên hệ ngay qua số điện thoại: 077.209.8686 để trải nghiệm dịch vụ chuyên nghiệp.
Với mục đích đem đến cho khách hàng trải nghiệm mua sắm tốt nhất, chúng tôi đưa ra các phương thức thanh toán sau để quý khách dễ dàng lựa chọn tùy theo nhu cầu của mình. Các phương thức thanh toán bao gồm:
1. Thanh toán trực tiếp bằng tiền mặt
Phương thức thanh toán này được áp dụng trong 2 trường hợp sau:
| 1. Mua hàng trực tiếp tại cửa hàng | Thanh toán trực tiếp với nhân viên tại văn phòng hoặc tại kho của công ty. |
| 2. Giao hàng và thu tiền tại địa điểm giao nhận (COD) | Thanh toán cho bên vận chuyển toàn bộ giá trị đơn hàng hoặc phần còn lại (nếu đã đặt cọc). |
2. Chuyển khoản qua Ngân hàng
Phương thức này được áp dụng trong trường hợp khách hàng ở xa hoặc có nhu cầu sử dụng phương thức này. Quý khách có thể chuyển tiền vào tài khoản Ngân hàng của chúng tôi qua thông tin sau:
|
Thông tin chuyển khoản
|
![]() |
Lưu ý:
Thông tin liên hệ
Mọi thông tin liên hệ, đóng góp ý kiến liên quan xin vui lòng liên hệ theo địa chỉ sau:
Công Ty Cổ Phần Dịch Vụ Thương Mại Tổng Hợp Đức Thiện
1. Đối tượng áp dụng
Tất cả khách hàng mua các sản phẩm sàn tại Kỷ Nguyên Máy
2. Phạm vi giao hàng
Công ty chúng tôi cam kết giao hàng toàn quốc, bao phủ tất cả 63 tỉnh thành trên lãnh thổ Việt Nam một cách nhanh chóng và đáng tin cậy.
Hệ thống đối tác vận chuyển uy tín đảm bảo hàng công nghiệp (máy tiện, ray trượt) nguyên vẹn, kèm kiểm tra hàng trước khi nhận và bảo hiểm 100% giá trị đơn hàng.
3. Chi phí vận chuyển
Chúng tôi nhận hỗ trợ tìm công ty vận chuyển tất cả sản phẩm linh kiện tự động hóa và cơ khí chính xác khi khách hàng mua tại Kỷ Nguyên Máy với phương thức tính phí phụ thuộc vào cước phí hiện hành hoặc theo thỏa thuận giữa hai bên và phụ thuộc vào các yếu tố sau:
*Lưu ý: Kỷ Nguyên Máy không bao gồm dịch vụ vận chuyển. Vui lòng liên hệ trực tiếp với nhân viên tư vấn để được hỗ trợ về phương thức và chi phí giao nhận.
4. Đóng gói, bảo quản trước khi giao hàng
Hàng hóa sẽ được đóng gói tùy thuộc vào các trường hợp sau:
5. Trách nhiệm của các bên khi giao nhận
* Trách nhiệm của Kỷ Nguyên Máy
Trong trường hợp giao nhận qua bên thứ ba (công ty vận chuyển do khách hàng hoặc Kỷ Nguyên Máy hỗ trợ liên hệ), trách nhiệm về chứng từ, hóa đơn cũng như kiểm tra tình trạng hàng hóa thuộc về khách hàng ngay khi nhận hàng từ đơn vị vận chuyển. Mọi rủi ro về hư hỏng, bể vỡ hoặc mất mát phát sinh trong quá trình vận chuyển qua bên thứ ba sẽ không thuộc trách nhiệm bồi hoàn của Kỷ Nguyên Máy.
* Trách nhiệm của khách hàng
Thông tin liên hệ
Mọi thông tin liên hệ, đóng góp ý kiến liên quan xin vui lòng liên hệ theo địa chỉ sau:
Công Ty Cổ Phần Dịch Vụ Thương Mại Tổng Hợp Đức Thiện