-
- Tổng tiền thanh toán:
THÔNG TIN SẢN PHẨM:
1. Mã sản phẩm: Con trượt THK NRS-RX/LRX/R/LR
2. Model: NRS25RX, NRS30RX, NRS35RX, NRS45RX, NRS55RX, NRS65RX, NRS75R, NRS85R, NRS100R, NRS25LRX, NRS30LRX, NRS35LRX, NRS45LRX, NRS55LRX, NRS65LRX, NRS75LR, NRS85LR, NRS100LR.
3. Cam kết: Hàng tận xưởng, bảo hành dài lâu, hỗ trợ miễn phí, giao nhanh toàn quốc.
4. Khả năng cung cấp hiện thời: 100 sản phẩm
Nhập khẩu trực tiếp
Giao nhanh toàn quốc
Theo đúng chính sách
Với khả năng chịu tải ấn tượng, con trượt THK NRS-RX/LRX/R/LR là lựa chọn hàng đầu cho các ứng dụng công nghiệp nặng. Được thiết kế để đối mặt với những điều kiện làm việc khắc nghiệt nhất, sản phẩm đảm bảo hoạt động ổn định và bền bỉ, giảm thiểu thời gian ngừng máy và tăng năng suất. Kéo xuống để tham khảo nhiều điều thú vị của linh kiện!
Con trượt THK NRS-RX/LRX/R/LR được thiết kế với cấu trúc rãnh trượt được gia công cực kỳ chính xác, giúp viên bi lăn trơn tru và ổn định. Điều này không chỉ đảm bảo độ chính xác cao trong quá trình vận hành mà còn góp phần kéo dài tuổi thọ của sản phẩm. Với con trượt đến từ thương hiệu THK này, các thiết bị của bạn sẽ hoạt động mượt mà và chính xác hơn bao giờ hết.


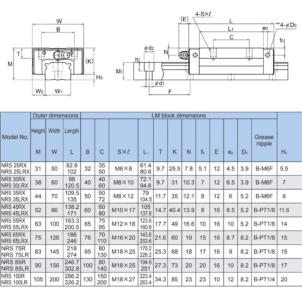
Bảng thông số kỹ thuật của bạc đạn trượt NRS-RX/LRX/R/LR là một công cụ hữu ích giúp bạn dự đoán hiệu suất làm việc của sản phẩm trong điều kiện thực tế. Bằng cách so sánh các thông số như kích thước, khả năng chịu tải với yêu cầu của ứng dụng, bạn có thể lựa chọn được linh kiện phù hợp nhất, đảm bảo hoạt động ổn định và bền bỉ.


Việc nắm vững ý nghĩa các ký hiệu trên con trượt dẫn hướng là yếu tố quan trọng để lựa chọn sản phẩm phù hợp với yêu cầu ứng dụng. Cũng giống như việc đọc bản vẽ kỹ thuật, việc giải mã các ký hiệu trên ổ trượt THK này giúp chúng ta hình dung rõ hơn về cấu tạo và chức năng của linh kiện.

|
Đặc điểm kỹ thuật |
Ký hiệu |
Lưu ý |
|
Model |
NRS45 |
|
|
Loại khối LM |
LRX |
|
|
Số lượng khối LM được sử dụng trên cùng một đường ray |
2 |
|
|
Chất bôi trơn QZ |
QZ |
|
|
Ký hiệu bảo vệ chống ô nhiễm |
ZZHH |
|
|
Ký hiệu tải |
|
|
Kỷ Nguyên Máy không chỉ là nhà cung cấp sản phẩm mà còn là đối tác tin cậy của khách hàng. Chúng tôi luôn sẵn sàng hỗ trợ khách hàng trong việc lựa chọn sản phẩm phù hợp, đặc biệt là con trượt THK NRS-RX/LRX/R/LR. Với đội ngũ kỹ thuật giàu kinh nghiệm, chúng tôi cam kết mang đến cho khách hàng những giải pháp tối ưu và dịch vụ hậu mãi chuyên nghiệp. Liên hệ ngay với chúng tôi qua hotline: 077.209.8686 để được tư vấn chi tiết.
Với mục đích đem đến cho khách hàng trải nghiệm mua sắm tốt nhất, chúng tôi đưa ra các phương thức thanh toán sau để quý khách dễ dàng lựa chọn tùy theo nhu cầu của mình. Các phương thức thanh toán bao gồm:
1. Thanh toán trực tiếp bằng tiền mặt
Phương thức thanh toán này được áp dụng trong 2 trường hợp sau:
| 1. Mua hàng trực tiếp tại cửa hàng | Thanh toán trực tiếp với nhân viên tại văn phòng hoặc tại kho của công ty. |
| 2. Giao hàng và thu tiền tại địa điểm giao nhận (COD) | Thanh toán cho bên vận chuyển toàn bộ giá trị đơn hàng hoặc phần còn lại (nếu đã đặt cọc). |
2. Chuyển khoản qua Ngân hàng
Phương thức này được áp dụng trong trường hợp khách hàng ở xa hoặc có nhu cầu sử dụng phương thức này. Quý khách có thể chuyển tiền vào tài khoản Ngân hàng của chúng tôi qua thông tin sau:
|
Thông tin chuyển khoản
|
![]() |
Lưu ý:
Thông tin liên hệ
Mọi thông tin liên hệ, đóng góp ý kiến liên quan xin vui lòng liên hệ theo địa chỉ sau:
Công Ty Cổ Phần Dịch Vụ Thương Mại Tổng Hợp Đức Thiện
1. Đối tượng áp dụng
Tất cả khách hàng mua các sản phẩm sàn tại Kỷ Nguyên Máy
2. Phạm vi giao hàng
Công ty chúng tôi cam kết giao hàng toàn quốc, bao phủ tất cả 63 tỉnh thành trên lãnh thổ Việt Nam một cách nhanh chóng và đáng tin cậy.
Hệ thống đối tác vận chuyển uy tín đảm bảo hàng công nghiệp (máy tiện, ray trượt) nguyên vẹn, kèm kiểm tra hàng trước khi nhận và bảo hiểm 100% giá trị đơn hàng.
3. Chi phí vận chuyển
Chúng tôi nhận hỗ trợ tìm công ty vận chuyển tất cả sản phẩm linh kiện tự động hóa và cơ khí chính xác khi khách hàng mua tại Kỷ Nguyên Máy với phương thức tính phí phụ thuộc vào cước phí hiện hành hoặc theo thỏa thuận giữa hai bên và phụ thuộc vào các yếu tố sau:
*Lưu ý: Kỷ Nguyên Máy không bao gồm dịch vụ vận chuyển. Vui lòng liên hệ trực tiếp với nhân viên tư vấn để được hỗ trợ về phương thức và chi phí giao nhận.
4. Đóng gói, bảo quản trước khi giao hàng
Hàng hóa sẽ được đóng gói tùy thuộc vào các trường hợp sau:
5. Trách nhiệm của các bên khi giao nhận
* Trách nhiệm của Kỷ Nguyên Máy
Trong trường hợp giao nhận qua bên thứ ba (công ty vận chuyển do khách hàng hoặc Kỷ Nguyên Máy hỗ trợ liên hệ), trách nhiệm về chứng từ, hóa đơn cũng như kiểm tra tình trạng hàng hóa thuộc về khách hàng ngay khi nhận hàng từ đơn vị vận chuyển. Mọi rủi ro về hư hỏng, bể vỡ hoặc mất mát phát sinh trong quá trình vận chuyển qua bên thứ ba sẽ không thuộc trách nhiệm bồi hoàn của Kỷ Nguyên Máy.
* Trách nhiệm của khách hàng
Thông tin liên hệ
Mọi thông tin liên hệ, đóng góp ý kiến liên quan xin vui lòng liên hệ theo địa chỉ sau:
Công Ty Cổ Phần Dịch Vụ Thương Mại Tổng Hợp Đức Thiện