-
- Tổng tiền thanh toán:
THÔNG TIN SẢN PHẨM
1. Mã sản phẩm: NSK LL
2. Model: LL15
3. Cam kết: Hàng chính hãng, bảo hành 1 năm, đổi trả trong 15 ngày kể từ khi nhận được hàng hoá.
4. Xuất xứ: Nhật Bản
5. Khả năng cung cấp hiện thời: 100 sản phẩm
Nhập khẩu trực tiếp
Giao nhanh toàn quốc
Theo đúng chính sách
Với thiết kế nhỏ gọn, trọng lượng nhẹ và độ bền cao, ray trượt NSK LL là sự lựa chọn hoàn hảo cho các ứng dụng đòi hỏi độ chính xác và ổn định cao. Sản phẩm được chế tạo từ chất liệu cao cấp, bề mặt được xử lý đặc biệt chống mài mòn và ăn mòn, đảm bảo tuổi thọ lâu dài. Hãy cùng tìm hiểu nhé.
Ray trượt chịu lực NSK LL là dòng thanh ray mini với thiết kế nhỏ gọn, có trọng lượng nhẹ. Mỗi ray chịu lực NSK dòng LL thường được cấu tạo từ các vật liệu có độ cứng cao, chịu mài mòn tốt như thép hợp kim hoặc thép không gỉ. Trên bề mặt của ray có thể có các rãnh hoặc đường ray để các con trượt di chuyển một cách trơn tru và chính xác.

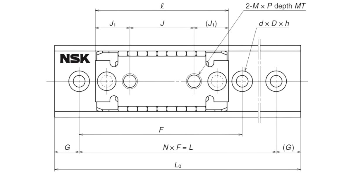
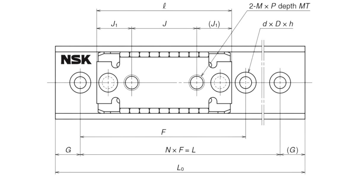
Để giúp bạn dễ dàng lựa chọn ray trượt có kích thước phù hợp, chúng tôi đã tổng hợp một bảng danh sách chi tiết về chiều dài tối đa của loại ray LL
|
Dòng |
Size |
15 |
||||
|
Vật liệu |
||||||
|
LL |
Thép không gỉ |
0040mm |
0060mm |
0075mm |
0090mm |
0120mm |

Chúng tôi đã chuẩn bị sẵn catalog và bảng thông số kỹ thuật đầy đủ để giúp bạn hiểu rõ hơn về sản phẩm này. Với những thông tin này, bạn sẽ dễ dàng lựa chọn được loại ray trượt phù hợp nhất với thiết bị của mình. Đặc biệt khi kết hợp thanh trượt dòng LL với con trượt NSK LL bạn sẽ thấy rõ điểm nổi bật của bộ sản phẩm này.


|
Model thanh trượt |
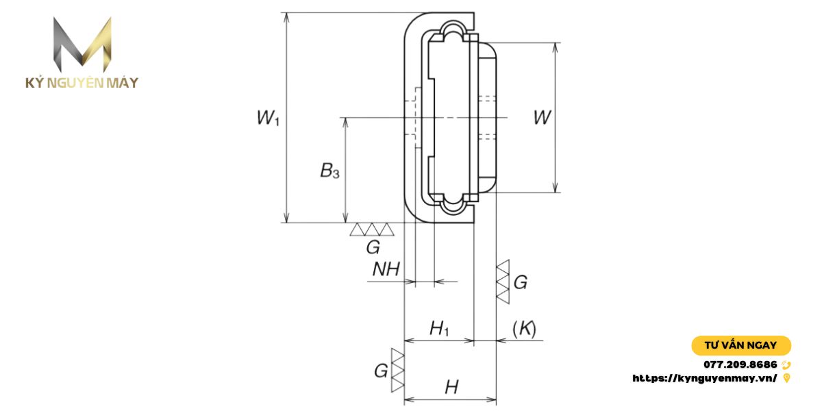
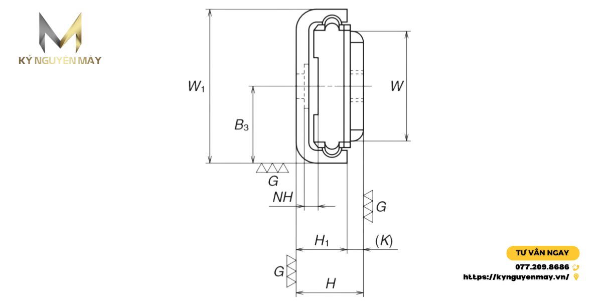
H1 |
F |
N |
dxDxh |
NH |
B3 |
|
LL15 |
5 |
30 40 30 40 50 |
1 1 2 2 2 |
2.4x5x0.4 |
1.2 |
7.5 |
Mỗi ray trục chịu lực của NSK sẽ có mỗi ký hiệu riêng, mỗi ký tự trong dãy ký hiệu đó sẽ mang một ý nghĩa khác nhau. Để người dùng có thể nắm được những thông số kỹ thuật, những ý nghĩa của ký hiệu. Chúng tôi cung cấp bảng giải thích các ký hiệu của thanh ray dẫn hướng cho quý vị để khách hàng có thể dễ dàng lựa chọn ưng ý.

|
Đặc điểm kỹ thuật |
Ký hiệu |
Giải nghĩa |
|
Tên model |
LL |
|
|
Kích thước |
15 |
|
|
Chiều dài thanh ray (mm) |
0060 |
|
|
Mã hình dạng khối trượt bi |
PL |
|
|
Mã xử lý vật thể/bề mặt |
K |
K: Thép không gỉ |
|
Số lượng khối trượt bi trên mỗi thanh trượt. |
1 |
|
|
Số hiệu thiết kế |
-** |
|
|
Mã độ chính xác |
PN |
Độ chính xác thông thường |
|
Mã tải trước |
0 |
0 (Z0): Khe hở nhỏ |
Ray trượt NSK LL không chỉ là một sản phẩm cơ khí đơn thuần mà còn là yếu tố quan trọng góp phần nâng cao chất lượng và hiệu suất của các thiết bị. Với những ưu điểm vượt trội, sản phẩm này chắc chắn sẽ là sự lựa chọn hàng đầu cho các nhà sản xuất và người tiêu dùng. Đừng ngần ngại liên hệ với Kỷ Nguyên Máy qua hotline: 077.209.8686 để được tư vấn và đặt mua ray trượt NSK LL với giá cả cạnh tranh.
Với mục đích đem đến cho khách hàng trải nghiệm mua sắm tốt nhất, chúng tôi đưa ra các phương thức thanh toán sau để quý khách dễ dàng lựa chọn tùy theo nhu cầu của mình. Các phương thức thanh toán bao gồm:
1. Thanh toán trực tiếp bằng tiền mặt
Phương thức thanh toán này được áp dụng trong 2 trường hợp sau:
| 1. Mua hàng trực tiếp tại cửa hàng | Thanh toán trực tiếp với nhân viên tại văn phòng hoặc tại kho của công ty. |
| 2. Giao hàng và thu tiền tại địa điểm giao nhận (COD) | Thanh toán cho bên vận chuyển toàn bộ giá trị đơn hàng hoặc phần còn lại (nếu đã đặt cọc). |
2. Chuyển khoản qua Ngân hàng
Phương thức này được áp dụng trong trường hợp khách hàng ở xa hoặc có nhu cầu sử dụng phương thức này. Quý khách có thể chuyển tiền vào tài khoản Ngân hàng của chúng tôi qua thông tin sau:
|
Thông tin chuyển khoản
|
![]() |
Lưu ý:
Thông tin liên hệ
Mọi thông tin liên hệ, đóng góp ý kiến liên quan xin vui lòng liên hệ theo địa chỉ sau:
Công Ty Cổ Phần Dịch Vụ Thương Mại Tổng Hợp Đức Thiện
1. Đối tượng áp dụng
Tất cả khách hàng mua các sản phẩm sàn tại Kỷ Nguyên Máy
2. Phạm vi giao hàng
Công ty chúng tôi cam kết giao hàng toàn quốc, bao phủ tất cả 63 tỉnh thành trên lãnh thổ Việt Nam một cách nhanh chóng và đáng tin cậy.
Hệ thống đối tác vận chuyển uy tín đảm bảo hàng công nghiệp (máy tiện, ray trượt) nguyên vẹn, kèm kiểm tra hàng trước khi nhận và bảo hiểm 100% giá trị đơn hàng.
3. Chi phí vận chuyển
Chúng tôi nhận hỗ trợ tìm công ty vận chuyển tất cả sản phẩm linh kiện tự động hóa và cơ khí chính xác khi khách hàng mua tại Kỷ Nguyên Máy với phương thức tính phí phụ thuộc vào cước phí hiện hành hoặc theo thỏa thuận giữa hai bên và phụ thuộc vào các yếu tố sau:
*Lưu ý: Kỷ Nguyên Máy không bao gồm dịch vụ vận chuyển. Vui lòng liên hệ trực tiếp với nhân viên tư vấn để được hỗ trợ về phương thức và chi phí giao nhận.
4. Đóng gói, bảo quản trước khi giao hàng
Hàng hóa sẽ được đóng gói tùy thuộc vào các trường hợp sau:
5. Trách nhiệm của các bên khi giao nhận
* Trách nhiệm của Kỷ Nguyên Máy
Trong trường hợp giao nhận qua bên thứ ba (công ty vận chuyển do khách hàng hoặc Kỷ Nguyên Máy hỗ trợ liên hệ), trách nhiệm về chứng từ, hóa đơn cũng như kiểm tra tình trạng hàng hóa thuộc về khách hàng ngay khi nhận hàng từ đơn vị vận chuyển. Mọi rủi ro về hư hỏng, bể vỡ hoặc mất mát phát sinh trong quá trình vận chuyển qua bên thứ ba sẽ không thuộc trách nhiệm bồi hoàn của Kỷ Nguyên Máy.
* Trách nhiệm của khách hàng
Thông tin liên hệ
Mọi thông tin liên hệ, đóng góp ý kiến liên quan xin vui lòng liên hệ theo địa chỉ sau:
Công Ty Cổ Phần Dịch Vụ Thương Mại Tổng Hợp Đức Thiện