-
- Tổng tiền thanh toán:
THÔNG TIN SẢN PHẨM
1. Mã sản phẩm: NSK NH
2. Model: NH15, NH20, NH25, NH30, NH35, NH45, NH55,NH65
3. Cam kết: Hàng chính hãng, bảo hành 1 năm, đổi trả trong 15 ngày kể từ khi nhận được hàng hoá.
4. Xuất xứ: Nhật Bản
5. Khả năng cung cấp hiện thời: 100 sản phẩm
Nhập khẩu trực tiếp
Giao nhanh toàn quốc
Theo đúng chính sách
Muốn máy móc hoạt động bền bỉ, chính xác và hiệu quả? Ray trượt NSK NH với thiết kế tối ưu, chịu tải vượt trội là giải pháp hoàn hảo cho bạn. Sản phẩm được ứng dụng rộng rãi trong các ngành công nghiệp như tự động hóa, chế tạo máy.
Thanh trượt NSK NH là một loại sản phẩm thuộc dòng thanh ray tiêu chuẩn, chịu tải cao, tự căn chỉnh. Với nhiều kích thước và tải trọng khác nhau để đáp ứng nhu cầu đa dạng của khách hàng.
Sản phẩm này được sản xuất từ thương hiệu NSK - một trong những nhà sản xuất linh kiện cơ khí chính xác hàng đầu thế giới. Được thành lập vào năm 1916 tại Nhật Bản, NSK đã có hơn một thế kỷ kinh nghiệm trong việc nghiên cứu, phát triển và sản xuất các sản phẩm chất lượng cao.
Chiều dài tối đa của thanh trượt ổ bi NH không cố định mà thay đổi tùy thuộc vào nhiều yếu tố khác nhau. Bạn hãy tham khảo bảng dưới đây để chọn được chiều dài phù hợp nhất với hệ thống của mình. Điều này giúp đảm bảo hệ thống hoạt động ổn định, bền bỉ và đạt hiệu suất cao nhất.
|
Dòng |
Size |
15 |
20 |
25 |
30 |
35 |
45 |
55 |
65 |
|
Vật liệu |
|||||||||
|
NH |
Thép cacbon cao |
2980mm |
3960mm |
3960mm |
4000mm |
4000mm |
3990mm |
3960mm |
3900mm |
|
Thép không gỉ |
1800mm |
3500mm |
3500mm |
3500mm |
|
|
|
|
Lưu ý: Các ray có thể được nối lại nếu yêu cầu của người dùng vượt quá độ dài ray được hiển thị trong bảng.
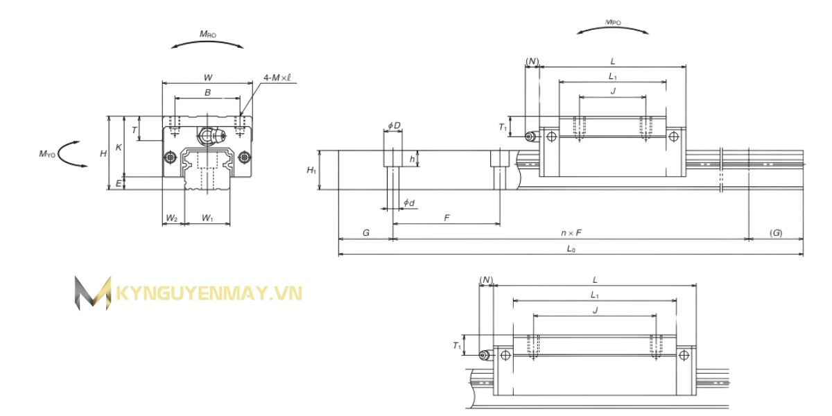
Thông số kỹ thuật là yếu tố quan trọng để đánh giá hiệu suất và lựa chọn ty trượt NH phù hợp với từng ứng dụng cụ thể. Hình ảnh cấu tạo chi tiết kết hợp với bảng thông số kỹ thuật dưới đây sẽ cung cấp cho bạn đầy đủ thông tin cần thiết để đưa ra quyết định chính xác.

|
Model thanh trượt |
W1 |
H1 |
F |
dxDxh |
|
NH15 |
15 |
15 |
60 |
4.5x7.5x5.3 |
|
NH20 |
20 |
18 |
60 |
6x9.5x8.5 |
|
NH25 |
23 |
22 |
60 |
7x11x9 |
|
NH30 |
28 |
26 |
80 |
9x14x12 |
|
NH35 |
34 |
29 |
80 |
9x14x12 |
|
NH45 |
45 |
38 |
105 |
14x20x17 |
|
NH55 |
53 |
44 |
120 |
16x23x20 |
|
NH65 |
63 |
53 |
150 |
18x26x22 |
Theo như thông tin từ Catalog, tất cả các mẫu sản phẩm con trượt NH..AN/ BN/ BM/ EM/ GM/ AL/ BL có cùng kích thước sẽ sử dụng chung một hệ thống thanh ray trượt tiêu chuẩn. Điều này có nghĩa là các bộ phận này được thiết kế để tương thích hoàn toàn với nhau, đảm bảo sự đồng bộ trong quá trình hoạt động. Để đạt hiệu quả cao nhất, NSK khuyến nghị sử dụng với con trượt NSK cùng dòng. Sự đồng bộ này sẽ tạo ra chuyển động mượt mà, tối ưu hóa hiệu suất làm việc.



|
Đặc điểm kỹ thuật |
Ký hiệu |
Giải nghĩa |
|
Mã thanh ray có thể thay thế |
NH/N1H |
N1H: Model thanh ray có thể thay thế NH |
|
Kích thước |
30 |
|
|
Chiều dài thanh ray (mm) |
1200 |
|
|
Mã hình dạng thanh ray |
L |
Tiêu chuẩn |
|
Mã xử lý vật thể/bề mặt
|
C |
C: Thép cacbon cao đặc biệt (tiêu chuẩn NSK) K: Thép không gỉ (chỉ áp dụng cho NH15 đến NH30) D: Thép cacbon cao đặc biệt có xử lý bề mặt H: Thép không gỉ có xử lý bề mặt Z: Khác, đặc biệt |
|
Thông số kỹ thuật thanh ray nối liền |
N |
N: Không nối liền L: Có nối liền |
|
Số hiệu thiết kế. |
-** |
|
|
Mã độ chính xác |
P5 |
Độ chính xác cao
|
|
Mã tải trước |
Z |
|
|
Các ô trong bảng |
O |
Có sẵn |
|
- |
Không có |
Thanh trượt NSK NH - giải pháp hoàn hảo cho máy móc của bạn. Với chất lượng Nhật Bản, độ bền cao và giá cả cạnh tranh, sản phẩm đã được hàng ngàn khách hàng tin dùng. Liên hệ ngay với chúng tôi qua hotline 077.209.8686 để được tư vấn và hưởng ưu đãi đặc biệt. Truy cập kynguyenmay.vn để khám phá thêm về sản phẩm.
Với mục đích đem đến cho khách hàng trải nghiệm mua sắm tốt nhất, chúng tôi đưa ra các phương thức thanh toán sau để quý khách dễ dàng lựa chọn tùy theo nhu cầu của mình. Các phương thức thanh toán bao gồm:
1. Thanh toán trực tiếp bằng tiền mặt
Phương thức thanh toán này được áp dụng trong 2 trường hợp sau:
| 1. Mua hàng trực tiếp tại cửa hàng | Thanh toán trực tiếp với nhân viên tại văn phòng hoặc tại kho của công ty. |
| 2. Giao hàng và thu tiền tại địa điểm giao nhận (COD) | Thanh toán cho bên vận chuyển toàn bộ giá trị đơn hàng hoặc phần còn lại (nếu đã đặt cọc). |
2. Chuyển khoản qua Ngân hàng
Phương thức này được áp dụng trong trường hợp khách hàng ở xa hoặc có nhu cầu sử dụng phương thức này. Quý khách có thể chuyển tiền vào tài khoản Ngân hàng của chúng tôi qua thông tin sau:
|
Thông tin chuyển khoản
|
![]() |
Lưu ý:
Thông tin liên hệ
Mọi thông tin liên hệ, đóng góp ý kiến liên quan xin vui lòng liên hệ theo địa chỉ sau:
Công Ty Cổ Phần Dịch Vụ Thương Mại Tổng Hợp Đức Thiện
1. Đối tượng áp dụng
Tất cả khách hàng mua các sản phẩm sàn tại Kỷ Nguyên Máy
2. Phạm vi giao hàng
Công ty chúng tôi cam kết giao hàng toàn quốc, bao phủ tất cả 63 tỉnh thành trên lãnh thổ Việt Nam một cách nhanh chóng và đáng tin cậy.
Hệ thống đối tác vận chuyển uy tín đảm bảo hàng công nghiệp (máy tiện, ray trượt) nguyên vẹn, kèm kiểm tra hàng trước khi nhận và bảo hiểm 100% giá trị đơn hàng.
3. Chi phí vận chuyển
Chúng tôi nhận hỗ trợ tìm công ty vận chuyển tất cả sản phẩm linh kiện tự động hóa và cơ khí chính xác khi khách hàng mua tại Kỷ Nguyên Máy với phương thức tính phí phụ thuộc vào cước phí hiện hành hoặc theo thỏa thuận giữa hai bên và phụ thuộc vào các yếu tố sau:
*Lưu ý: Kỷ Nguyên Máy không bao gồm dịch vụ vận chuyển. Vui lòng liên hệ trực tiếp với nhân viên tư vấn để được hỗ trợ về phương thức và chi phí giao nhận.
4. Đóng gói, bảo quản trước khi giao hàng
Hàng hóa sẽ được đóng gói tùy thuộc vào các trường hợp sau:
5. Trách nhiệm của các bên khi giao nhận
* Trách nhiệm của Kỷ Nguyên Máy
Trong trường hợp giao nhận qua bên thứ ba (công ty vận chuyển do khách hàng hoặc Kỷ Nguyên Máy hỗ trợ liên hệ), trách nhiệm về chứng từ, hóa đơn cũng như kiểm tra tình trạng hàng hóa thuộc về khách hàng ngay khi nhận hàng từ đơn vị vận chuyển. Mọi rủi ro về hư hỏng, bể vỡ hoặc mất mát phát sinh trong quá trình vận chuyển qua bên thứ ba sẽ không thuộc trách nhiệm bồi hoàn của Kỷ Nguyên Máy.
* Trách nhiệm của khách hàng
Thông tin liên hệ
Mọi thông tin liên hệ, đóng góp ý kiến liên quan xin vui lòng liên hệ theo địa chỉ sau:
Công Ty Cổ Phần Dịch Vụ Thương Mại Tổng Hợp Đức Thiện