-
- Tổng tiền thanh toán:

[Tổng hợp] Thông số thanh trượt tròn
Tác giả: Trần Đức Thiện
Ngày đăng: 14/04/2022
Nội dung bài viết
Thông số thanh dẫn tròn là một trong những yếu tố quan trọng nhất khi người thợ hay kĩ sư tìm mua thanh dẫn tròn để chế máy hay thay thế linh kiện đã cũ. Nếu bạn đang tìm kiếm thông tin này hãy tham khảo ngay bài viết này.
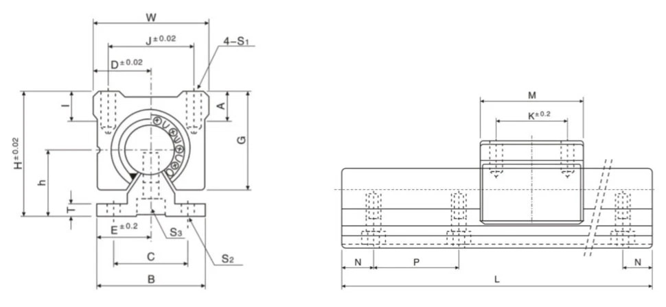
Thanh dẫn hướng tròn có 2 loại chính được sử dụng phổ biến: thanh dẫn hướng tròn và trục trượt tròn có đế
Thông số thanh dẫn hướng tròn trơn
- Chất liệu: thép không gỉ Gcr15;
- Độ cứng: HRC58 ± 2 (Gcr15: HRC60 ± 2);
- Độ chính xác: g6;
- Độ cong: dưới 5μM/100mm;
- Độ dày mạ chrome: 30μM (Rmax);
- Bề mặt gồ ghề: dưới 1.5μM (Rmax);
- Bề mặt cứng dày: 0.8μ ~ 3mm;
- Đường kính ngoài: 6mm đến 60mm;
- Chiều dài tối đa: 4m

Thông số thanh trục tròn có đế
- Chất liệu: 45 #, Gcr15
- Độ cứng: HRC58 ± 2 (Gcr15: HRC60 ± 2)
- Độ chính xác: g6, Độ cong: Dưới 5μM/100mm
- Độ dày mạ chrome : 30μM (Rmax)
- Bề mặt gồ ghề: Dưới 1.5μM (Rmax)
- Bề mặt cứng dày 0.8μ ~ 3mm
- Đường kính ngoài: 6mm đến 60mm


Tham khảo thêm:
Trên đây chúng tôi đã tổng hợp thông số kỹ thuật của các loại thanh trục tròn phổ biến nhất. Nếu quý khách có nhu cầu mua hàng hay cần tư vấn thêm về thông số, thông tin sản phẩm, hãy liên hệ ngay tới Kỷ Nguyên Máy chúng tôi qua HOTLINE 077.209.8686!
Trần Đức Thiện
CEO Trần Đức Thiện không chỉ là người sáng lập mà còn là linh hồn của Kỷ Nguyên Máy. Với tầm nhìn chiến lược, kiến thức chuyên môn sâu rộng và tinh thần đổi mới không ngừng, anh đã trở thành cái tên uy tín trong lĩnh vực kinh doanh xuất nhập khẩu và tư vấn giải pháp linh kiện cơ khí, máy móc CNC tại Việt Nam.